EasyManua.ls Logo

TEXA eLight ONE - Device Description

TEXA eLight ONE
466 pages
Print Icon
To Next Page IconTo Next Page
To Next Page IconTo Next Page
To Previous Page IconTo Previous Page
To Previous Page IconTo Previous Page
Loading...
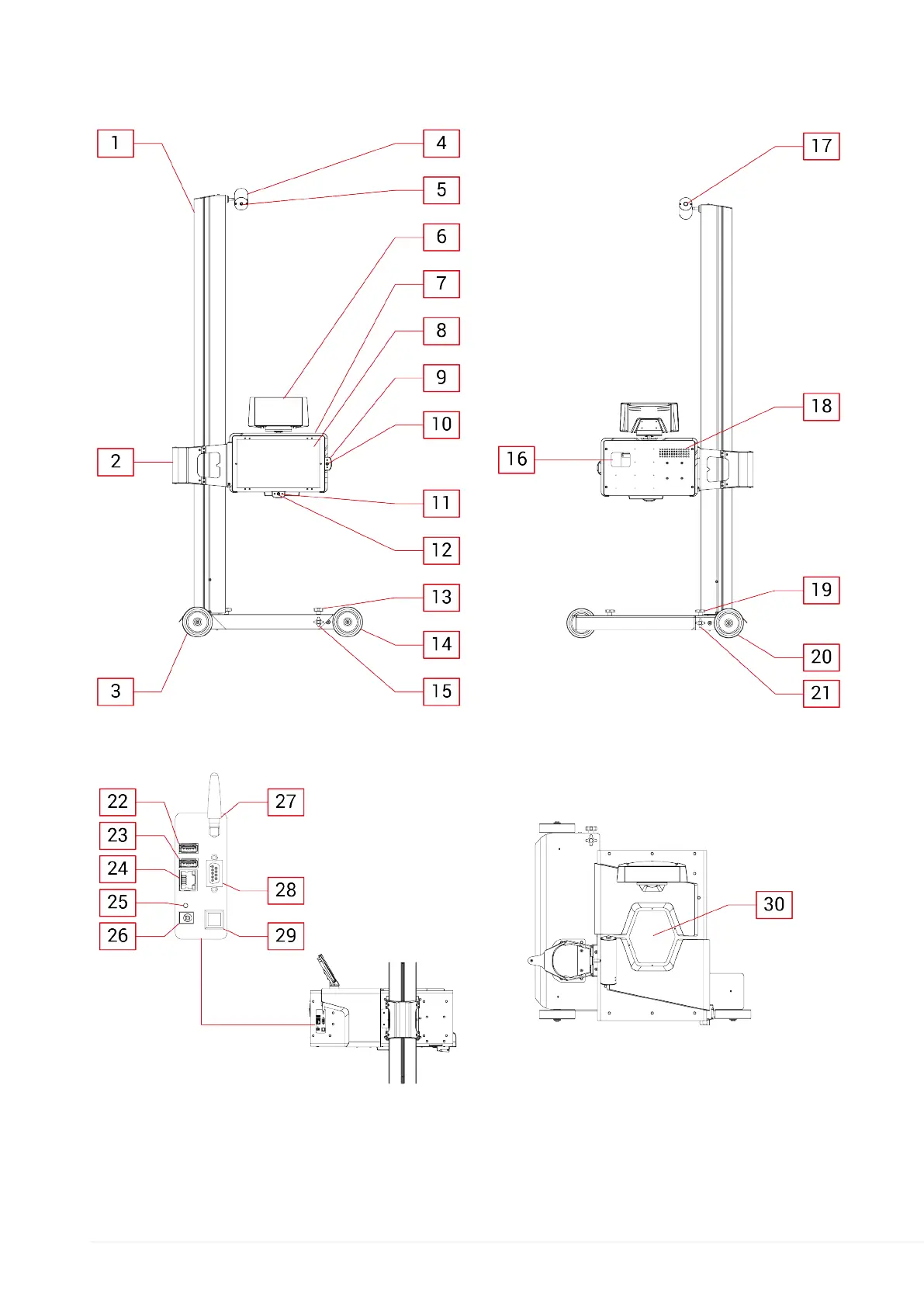
8 DESCRIPTION
114

Table of Contents

Other manuals for TEXA eLight ONE

Related product manuals