EasyManua.ls Logo

Texas Instruments Jacinto7 J721E - EVM Reset Architecture

Texas Instruments Jacinto7 J721E
85 pages
Print Icon
To Next Page IconTo Next Page
To Next Page IconTo Next Page
To Previous Page IconTo Previous Page
To Previous Page IconTo Previous Page
Loading...
www.ti.com
J721E EVM Hardware Architecture
39
SPRUIS4ADecember 2019Revised May 2020
Submit Documentation Feedback
Copyright © 2019–2020, Texas Instruments Incorporated
Jacinto7 J721E/DRA829/TDA4VM Evaluation Module (EVM)
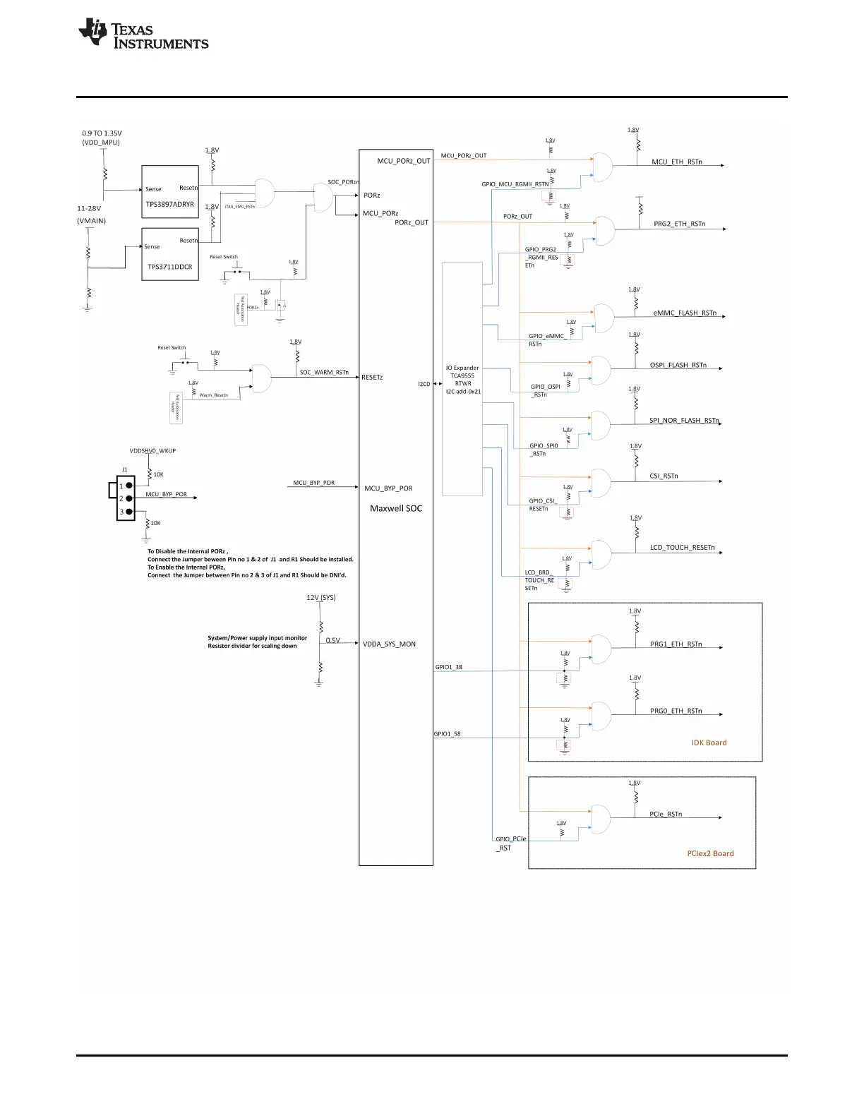
Figure 22. EVM Reset Architecture

Table of Contents

Related product manuals