EasyManua.ls Logo

Tokheim Quantium 510 - Four Frames & Two Columns Models (Suction & Submerged) (Vhs 4-4)

Tokheim Quantium 510
143 pages
Print Icon
To Next Page IconTo Next Page
To Next Page IconTo Next Page
To Previous Page IconTo Previous Page
To Previous Page IconTo Previous Page
Loading...
Page 3-20
Document Ref 942583-001 Rev 8
Drawings Quantium 510 Installation Manual
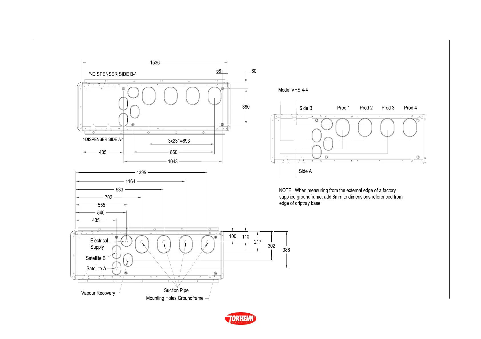
3.4.5 FOUR FRAMES & TWO COLUMNS MODELS (SUCTION & SUBMERGED) (VHS 4-4)
Driptray extent

Table of Contents