EasyManua.ls Logo

Toro 31598 - Page 81

Toro 31598
84 pages
Print Icon
To Next Page IconTo Next Page
To Next Page IconTo Next Page
To Previous Page IconTo Previous Page
To Previous Page IconTo Previous Page
Loading...
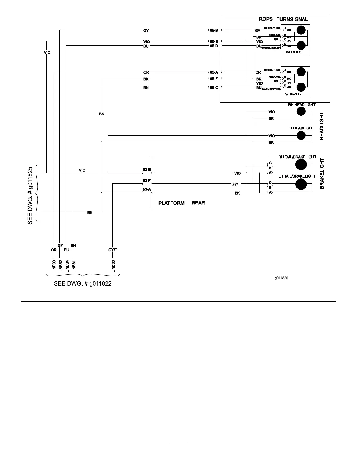
ElectricalSchematic(G011826)(Rev.A)
81

Table of Contents

Related product manuals