EasyManua.ls Logo

Trane Optimus RTHD - Operating Principles; General Unit Overview and Thermal Syphon System

Trane Optimus RTHD
92 pages
Print Icon
To Next Page IconTo Next Page
To Next Page IconTo Next Page
To Previous Page IconTo Previous Page
To Previous Page IconTo Previous Page
Loading...
48
RTHD-SVX01L-EN
Operating Principles
This section describes the overall operating principles of
the Optimus™ water chiller.
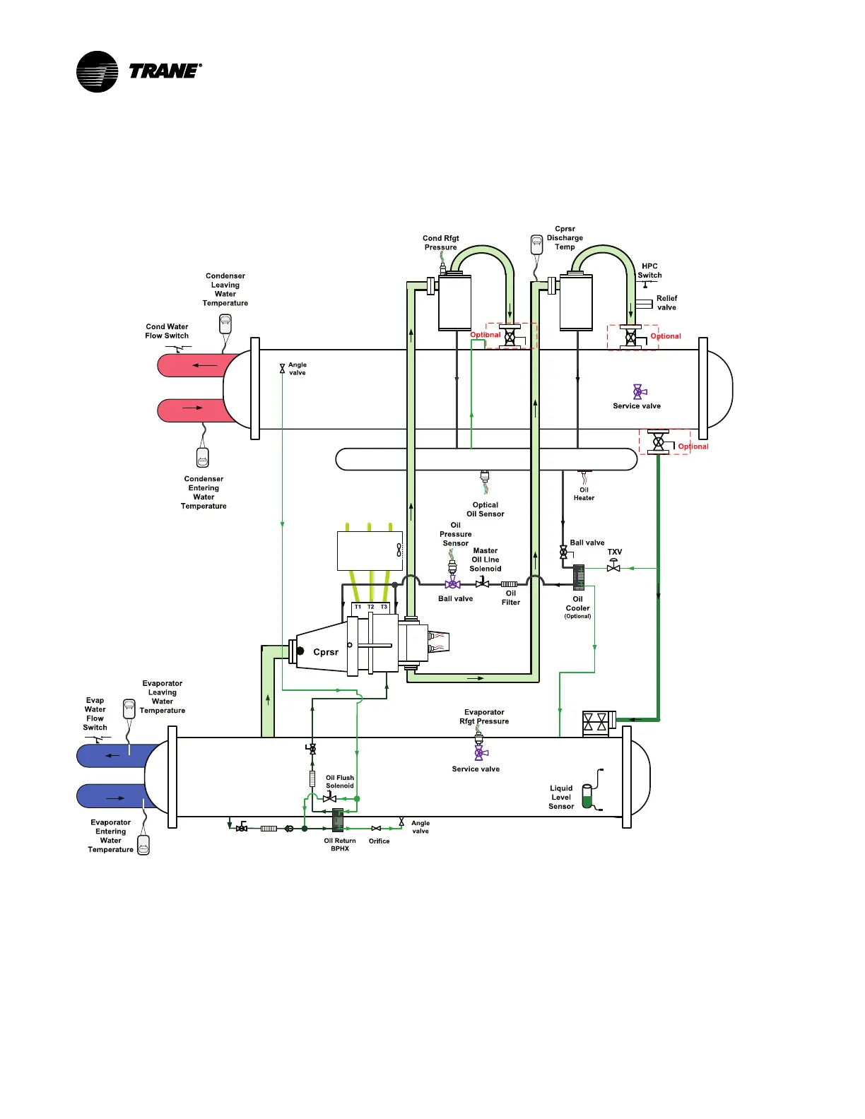
Figure 22. Thermal syphon system
Evaporator
L1
L3
L2
U
TR200
(Optional)
V
W
EXV 1
Load
Solenoid
Unload
Solenoid
Condenser
Oil Rich
Refrigerant
EXV 2
Oil Sump
Filter
Oil Sump
Vent
Ball
valve
Ball
valve
Check
valve
Filter
General
Optimus units are single-compressor water-cooled liquid
chillers. These units are equipped with unit-mounted
starter/control panels.
The basic components of an Optimus unit are:
Unit-mounted panel containing Symbio™ 800 controller
and input/output LLIDs
Helical-rotary compressor
Evaporator
Electronic expansion valve
Water-cooled condenser with integral subcooler
Oil supply system
Oil cooler (application dependent)
Related interconnecting piping
AFD (optional)

Table of Contents

Other manuals for Trane Optimus RTHD

Related product manuals