EasyManua.ls Logo

Trane RTHC - Page 149

Trane RTHC
167 pages
Print Icon
To Next Page IconTo Next Page
To Next Page IconTo Next Page
To Previous Page IconTo Previous Page
To Previous Page IconTo Previous Page
Loading...
REPLACES DRAWING NUMBERFILE NUMBER REV
REVISION DATE
DRAWN BY
DATE SIMILAR TO
2307-9409 F
THE TRANE COMPANY
A DIVISION OF
AMERICAN STANDARD INC.
THIS DRAWING IS PROPRIETARY AND
SHALL NOT BE COPIED OR ITS
CONTENTS DISCLOSED TO OUTSIDE
PARTIES WITHOUT THE WRITTEN
CONSENT OF THE TRANE COMPANY
12-27-96
AM
5-11-99
AUTOCAD
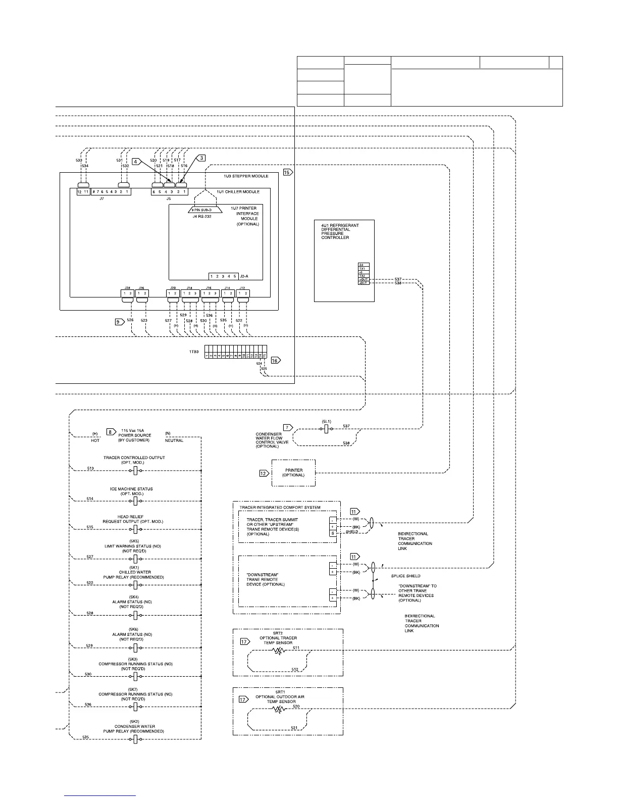
FIELD WIRING
RTHC

Table of Contents

Other manuals for Trane RTHC

Related product manuals