EasyManua.ls Logo

TYM T303HST - Page 128

TYM T303HST
249 pages
Print Icon
To Next Page IconTo Next Page
To Next Page IconTo Next Page
To Previous Page IconTo Previous Page
To Previous Page IconTo Previous Page
Loading...
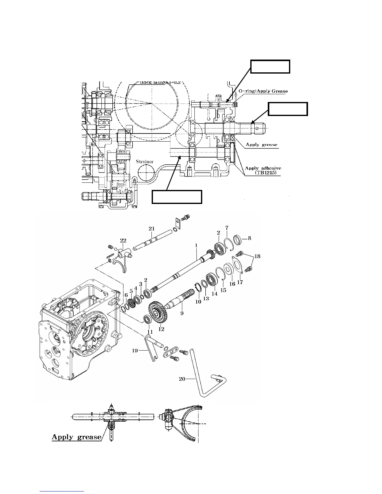
(4) Rear PTO mechanism
Shift stay
PTO shaft
Counter shaft
1.Gear,spur12
2.R.B.B(6305)
3.C-ring,shaft
4.R.B.B(6205)
5.Gear spur,14
6.C
-
ring,shaft
Fig.5-45
6.C
-
ring,shaft
7.C-ring,hole
8.Seal 62
9.Shaft,PTO
10.C-ring,shaft
11.R.B.B(6205)
12.Gear,spur 37
13.Collar(35X50X2)
14.R.B.B(6207)
15.C-ring(hole)
16.Oil seal
17.Cover
18.Bolt
19.Hook,rear PTO
20.Lever,rear PTO
21.Stay,PTO shift
22.Shifter,PTO Low
speed
5-27
Fig.5-46
Fig.5-47

Table of Contents