EasyManua.ls Logo

Vaisala RVP900

Vaisala RVP900
512 pages
To Next Page IconTo Next Page
To Next Page IconTo Next Page
To Previous Page IconTo Previous Page
To Previous Page IconTo Previous Page
Loading...
USER’S MANUAL__________________________________________________________________
184 _________________________________________________________________ M211322EN-D
0916-050
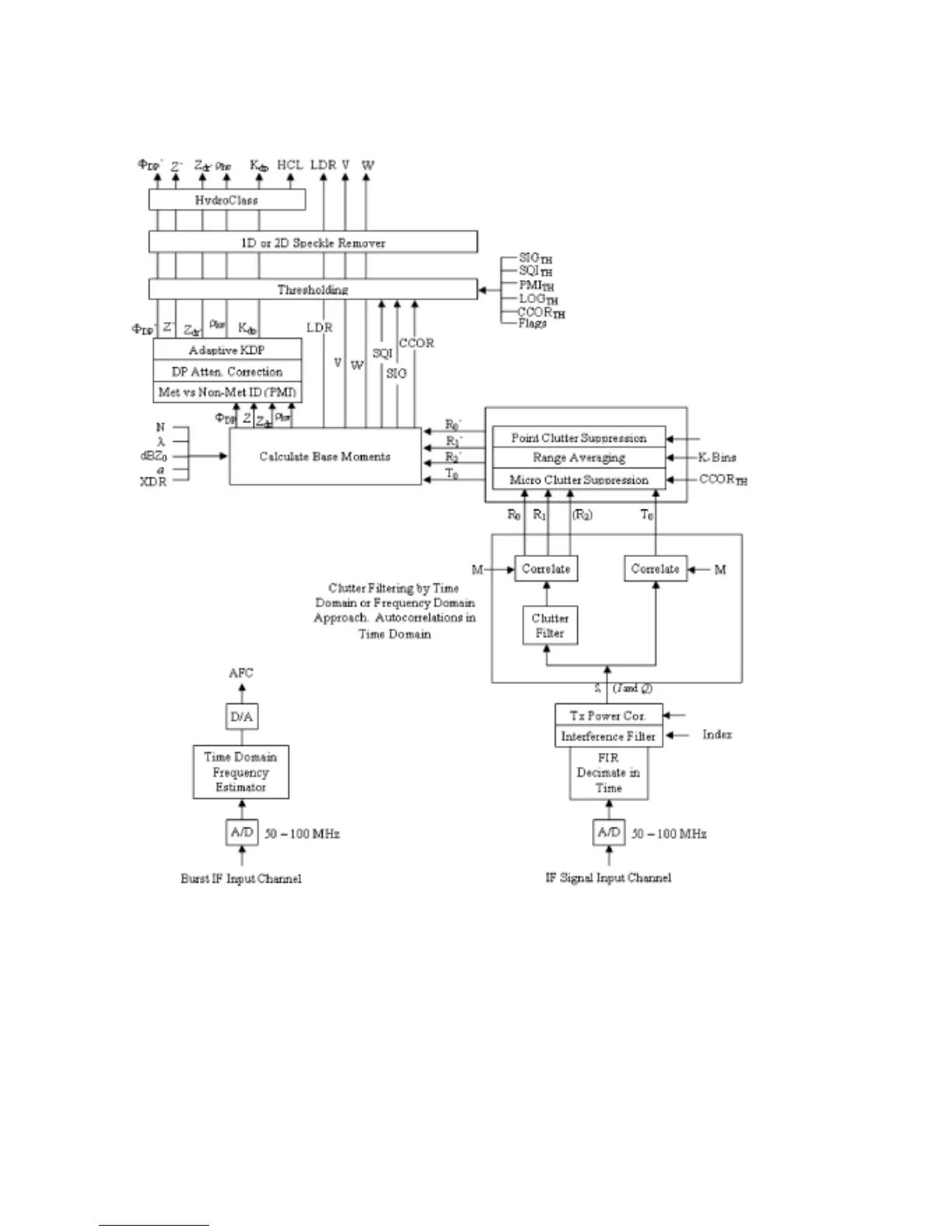
Figure 36 Flow Diagram of RVP900 Processing

Table of Contents

Other manuals for Vaisala RVP900