EasyManua.ls Logo

VAMP 265 - Page 172

VAMP 265
220 pages
Print Icon
To Next Page IconTo Next Page
To Next Page IconTo Next Page
To Previous Page IconTo Previous Page
To Previous Page IconTo Previous Page
Loading...
7.9 Trip Circuit Supervision
7 Applications
Technical description
172
VAMP 24h support phone +358 (0)20 753 3264
VM265.EN011
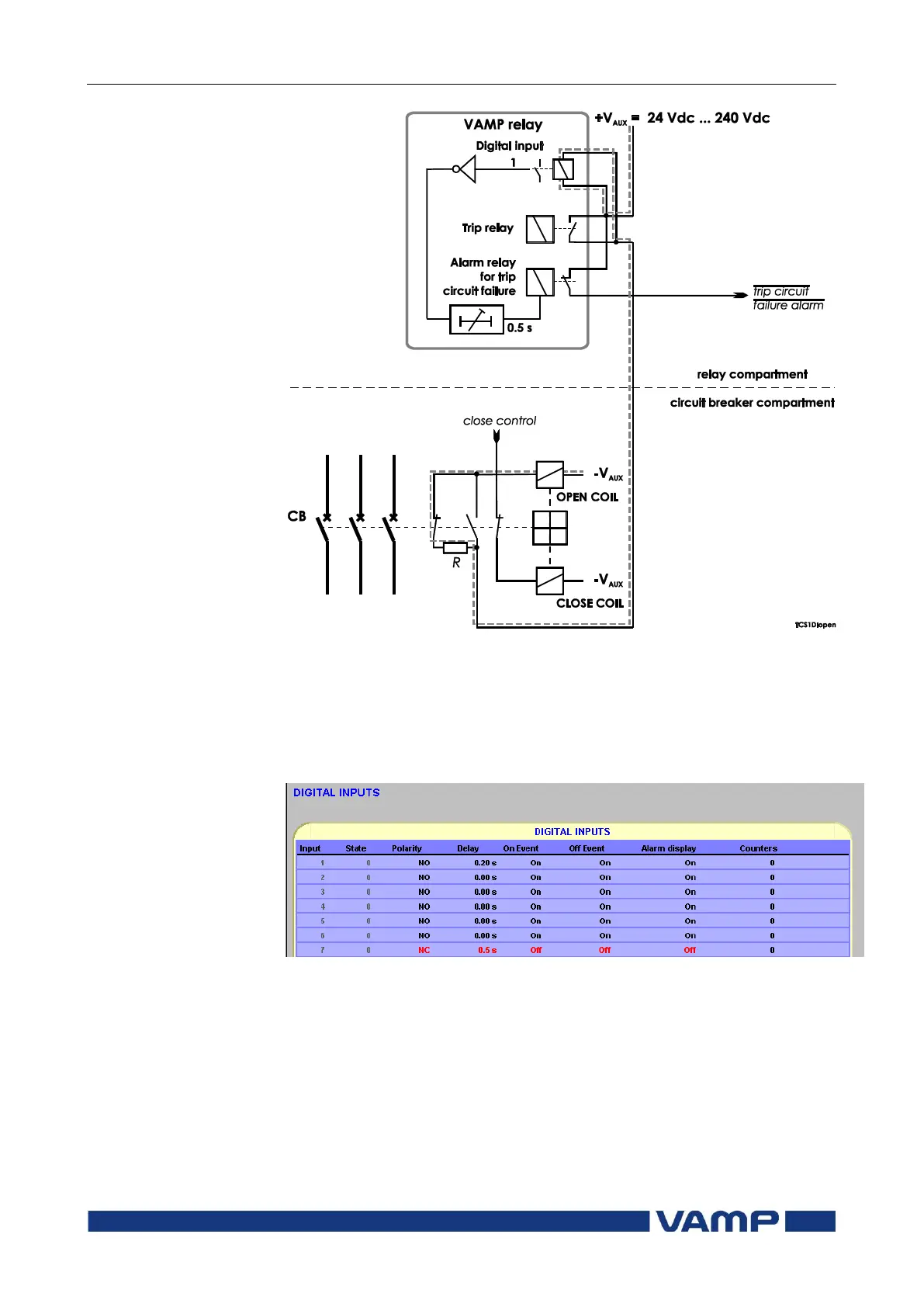
Figure 7.9.1-2 Trip circuit supervision using a single dry digital input, when
the circuit breaker is in open position.
Note: If for example DI7 is used for trip circuit supervision, the usage of DI8 ...
DI14 is limited to the same circuitry sharing the V
aux
in the common
terminal.
Figure 7.9.1-3 An example of digital input DI7 configuration for trip circuit
supervision with one dry digital input.

Table of Contents

Related product manuals