EasyManua.ls Logo

VAMP 265 - Page 175

VAMP 265
220 pages
Print Icon
To Next Page IconTo Next Page
To Next Page IconTo Next Page
To Previous Page IconTo Previous Page
To Previous Page IconTo Previous Page
Loading...
Technical description
7 Applications
7.9 Trip Circuit Supervision
VM265.EN011
175
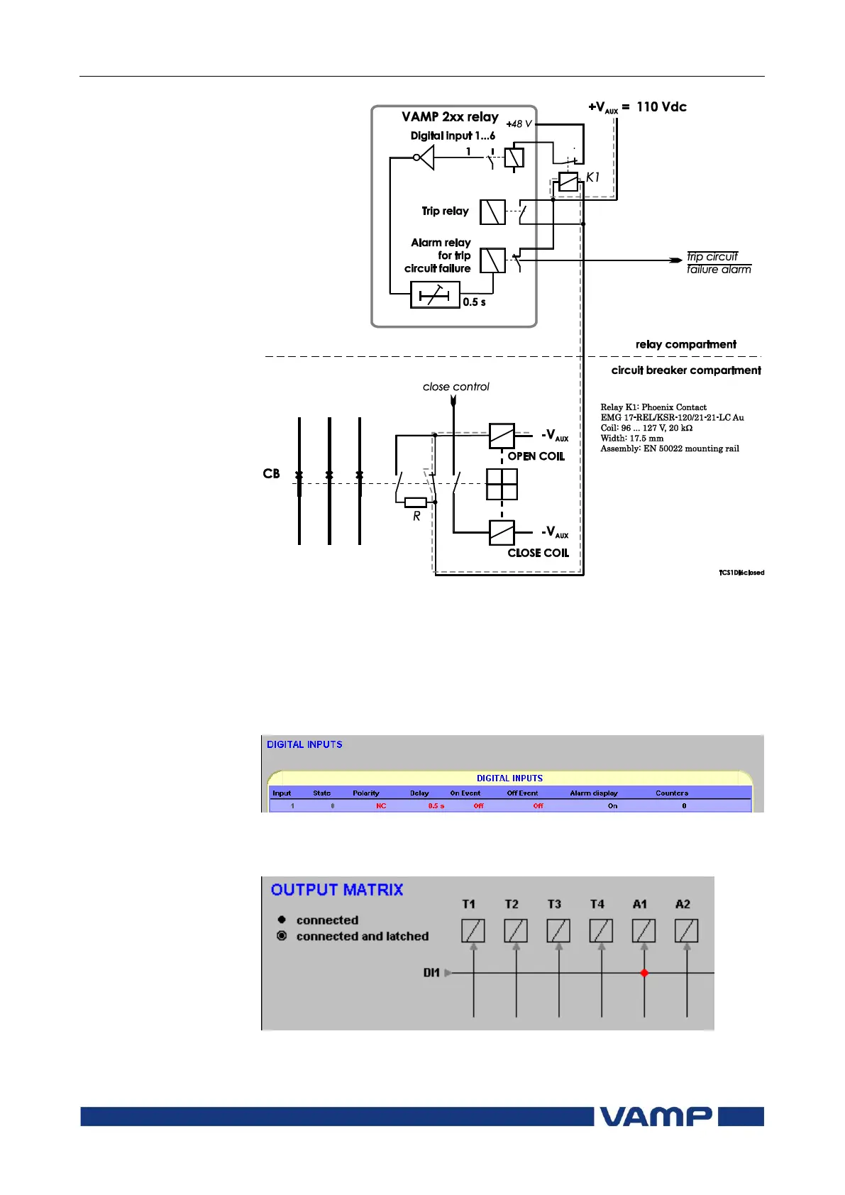
Figure 7.9.1-5 Trip circuit supervision using one of the VAMP 200 series
internally wetted digital input (DI1...DI6) and auxiliary relay K1 and an
external resistor R. The circuit-breaker is in the closed position. The
supervised circuitry in this CB position is double-lined. The digital input is
in active state when the trip circuit is complete.
Figure 7.9.1-6 An example of digital input DI1 configuration for trip circuit
supervision with one wet digital input.
Figure 7.9.1-7 An example of output matrix configuration for trip circuit
supervision with one wet digital input.

Table of Contents

Related product manuals