EasyManua.ls Logo

Vatech A9 PHT-30CSS - Page 32

Vatech A9 PHT-30CSS
244 pages
Print Icon
To Next Page IconTo Next Page
To Next Page IconTo Next Page
To Previous Page IconTo Previous Page
To Previous Page IconTo Previous Page
Loading...
Page 31 of 244
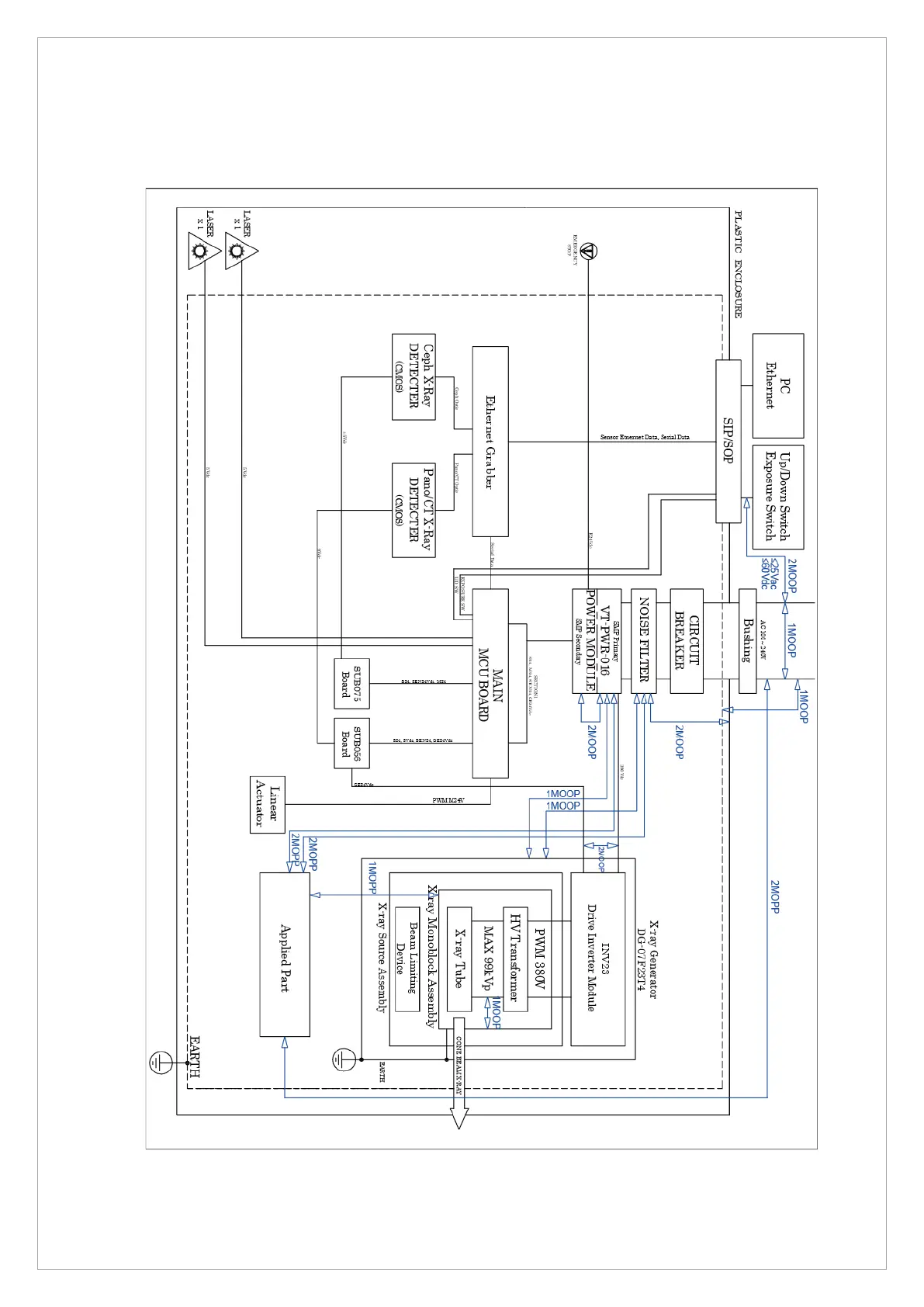
1.3.5. Connection Diagram (Total assembly)

Table of Contents

Related product manuals