EasyManua.ls Logo

Vatech A9 PHT-30CSS - Chapter 4. PANO Image Optimization; Geometry Information

Vatech A9 PHT-30CSS
244 pages
Print Icon
To Next Page IconTo Next Page
To Next Page IconTo Next Page
To Previous Page IconTo Previous Page
To Previous Page IconTo Previous Page
Loading...
Page 130 of 244
Chapter 4. PANO Image Optimization
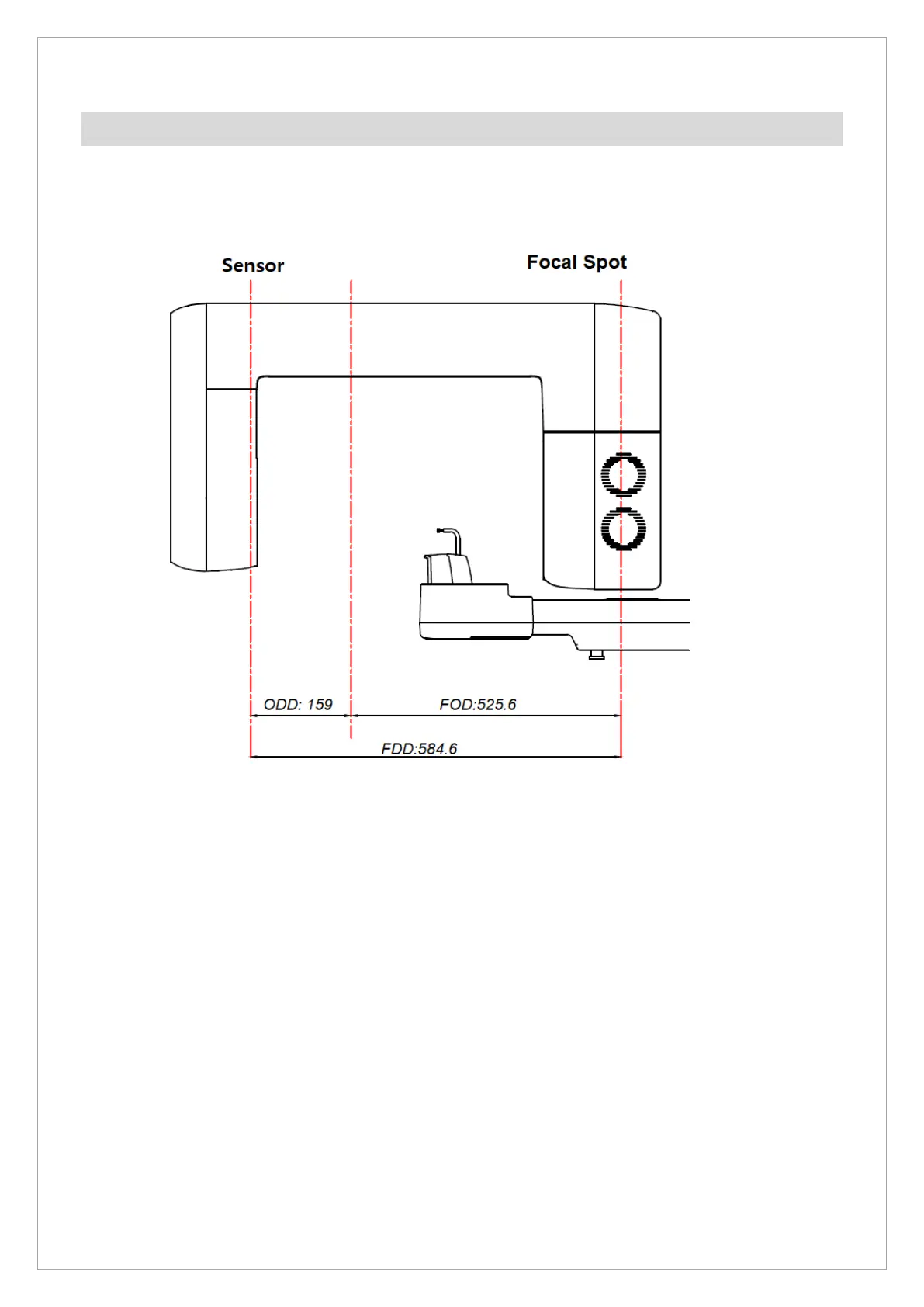
4.1. Geometry information
FDD: Distance from the X-ray source to the sensor (584.6 mm)
FOD: Distance from the X-ray source to the center of rotation (425.6 mm)

Table of Contents

Related product manuals