EasyManua.ls Logo

WABECO D6000 - Industrial Screen and Membrane Keyboard Specifically for 2.0 Kw Motor

WABECO D6000
168 pages
Print Icon
To Next Page IconTo Next Page
To Next Page IconTo Next Page
To Previous Page IconTo Previous Page
To Previous Page IconTo Previous Page
Loading...
137
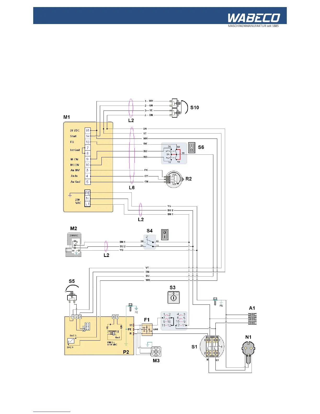
19. Circuit diagram
19.8 Industrial screen and membrane keyboard specifically for 2.0 kW motor
This document shows all the equipment for the electrical set-up
including connection to the power supply network

Table of Contents

Related product manuals