EasyManua.ls Logo

Waupaca Paca-Ryde - Sling & Side Extension Installation

Default Icon
72 pages
Print Icon
To Next Page IconTo Next Page
To Next Page IconTo Next Page
To Previous Page IconTo Previous Page
To Previous Page IconTo Previous Page
Loading...
1726 North Ballard Road, Suite 1 - Appleton, WI 54911 - 920.991.9082
Technical Support 855.804.5774 - Parts@waupacaelevator.com
PTM30185-C
3 APR 2018
W
E
D CORNER
C CORNER
B CORNER
SIDE EXTENSION
A CORNER
FASTENING PLATE
FRONT SLING EXTENSION ARM
(AB DIMENSION - 4”)
A
BC
D
56.75”
B
A
C
D
A
BC
D
A
BC
D
42.40”
49.38”
42.08”
51.58”
53.00”
35.08”
36.00”
47.13”
36.00”
35.08”
36.00”
CRUSH
HAZARD
CUTTING
HAZ ARD
FALLING
HAZ ARD
CRUSH
HAZARD
PINCH
HAZ ARD
VERIFY ALL FASTENERS ARE SECURELY FASTENED
2.
3.
1.
6
1, 2
6.
3
6
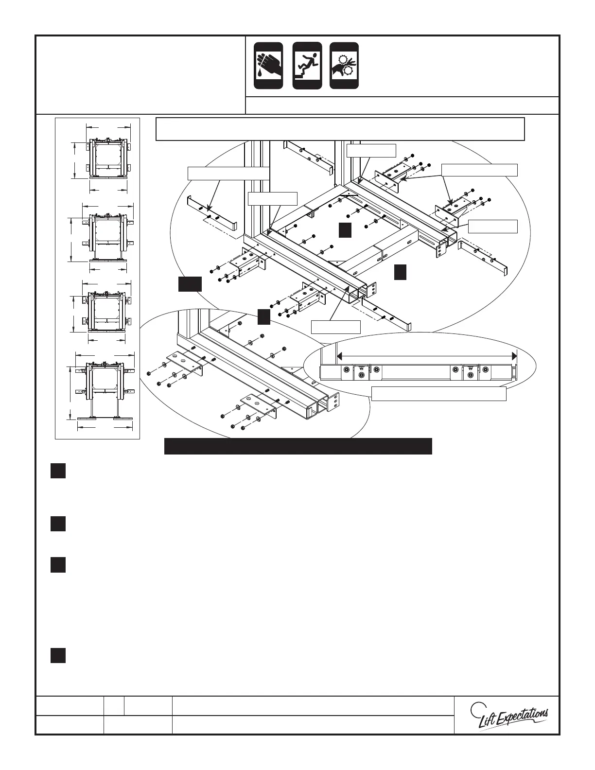
SLING & SIDE EXTENSION
INSTALLATION
(IF PROVIDED)
SERIES : 115, 116, 118
Note: Depending on car dimensions sling extensions may be provided.
1. If any side sling extensions are provided with the unit, prep the sling with the sling extensions before
bringing sling in to the hoistway. Remove the provided hardware from all fastening plates:
3/8” Flat Washer
3/8” Nylock Nuts
2. Note the orientation of the fastening plate studs and the hole pattern on the side of the tube. Install the
fastening plate into the outside tube of each sling half by inserting fastening plate studs through outside
sling tube hole pattern.
3. Attach the side extensions to the studs of the fastening plate with the previously removed 3/8” hardware.
4. Repeat steps 2 & 3 for the remaining fastening plates and side extensions.
5. If the front sling extension is provided with unit, prep the sling with the sling extensions before bringing
sling in to the hoistway. Disassemble sling extension and place sling extension feet and front sling
extension plate assembly o to the side with the hardware in a safe location.
6. Insert the front sling extension arms into the inner most sling tube of each sling half as depicted, by
inserting the front sling extensions arm studs through the slots of the inner most sling tube. Loosely
fasten previously removed hardware from the sling extension arms studs. (May need to adjust location
later.)
Page 23

Table of Contents

Related product manuals