EasyManua.ls Logo

Weiler E1650 - Page 166

Weiler E1650
174 pages
Print Icon
To Next Page IconTo Next Page
To Next Page IconTo Next Page
To Previous Page IconTo Previous Page
To Previous Page IconTo Previous Page
Loading...
Schematics
C
WEILER E1650 REMIXING TRANSFER VEHICLE
C-14
Schematics
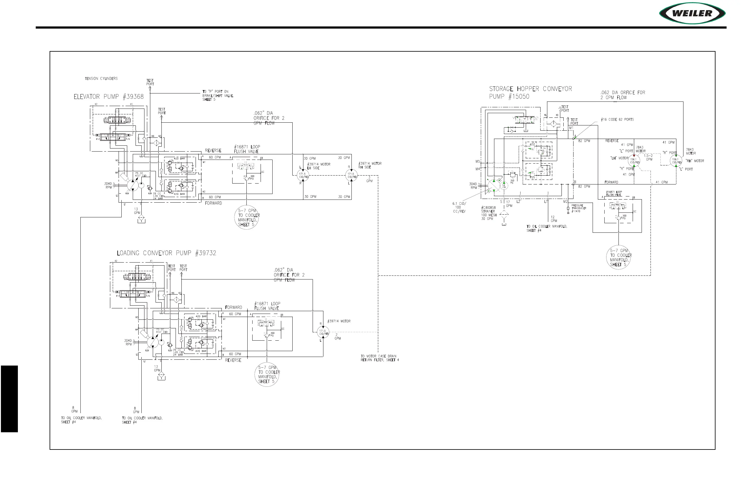
HYDRAULIC SCHEMATIC
6.1 CID/
100
CC/REV
#C8I0858
STRAINER
100 MESH
30 GPM
300
PSI
17
GPM
S L1L2
1.6
CID
350
PSI
3040
RPM
#16871 LOOP
FLUSH VALVE
PRESSURE
TRANSDUCER
#11470
A
M2
GC
B
FORWARD
82 GPM
B
41 GPM
M4
M5
7843
MOTOR
"LH" MOTOR
"R" PORT
1.5-2
GPM
156.1
CID/REV
REVERSE
82 GPM
A
"L" PORT
41 GPM
41 GPM
"R" PORT
7843
MOTOR
"RH" MOTOR
156.1
CID/REV
"L" PORT
41 GPM
STORAGE HOPPER CONVEYOR
PUMP #15050
TEST
PORT
M3
M6
#16 CODE 62 PORTS
TEST
PORT
M1
.062 DIA ORFICE FOR
2 GPM FLOW
TENSION CYLINDERS
.062" DIA
ORIFICE FOR 2
GPM FLOW
171.5
CID/REV
3040
RPM
TO OIL COOLER MANIFOLD,
SHEET #4
8
GPM
8
GPM
S
L1
L2
13
GPM
M4
75 CC
4.57 CID
420 BAR
20 CC
1.20 CID
24 BAR
5-7 GPM
TO COOLER
MANIFOLD,
SHEET 5
REVERSE
60 GPM
B
M2
300
PSI
GC
X2 X1
X2 X1
ELEVATOR PUMP #39368
LOADING CONVEYOR PUMP #39732
3040
RPM
L1
L2
M5
M4
TEST
PORT
M6
M5
M3
420 BAR
TEST
PORT
13
GPM
#16871 LOOP
FLUSH VALVE
FORWARD
60 GPM
A
M1
A
B
5-7 GPM
TO COOLER
MANIFOLD,
SHEET 5
TO "P" PORT ON
BRAKE/SHIFT VALVE,
SHEET 5
REVERSE
FORWARD
60 GPM
60 GPM
4.57 CID
S
24 BAR
1.20 CID
20 CC
75 CC
420 BAR
M2
B
420 BAR
A
M1
M6 M3
TEST
PORT
#16871 LOOP
FLUSH VALVE
300
PSI
A
R
B
GC
L
.062" DIA
ORIFICE FOR 2
GPM FLOW
TEST
PORT
#39714 MOTOR
TO MOTOR CASE DRAIN
RETURN FILTER, SHEET 4
171.5
CID/REV
R
L
2
GPM
30 GPM
30 GPM
30 GPM
#39714 MOTOR
LH SIDE
30 GPM
171.5
CID/REV
3
GPM
L
#39714 MOTOR
RH SIDE
R
TO OIL COOLER MANIFOLD,
SHEET #4
TO OIL COOLER MANIFOLD,
SHEET #4
5-7 GPM
TO COOLER
MANIFOLD,
SHEET 5
12
GPM

Related product manuals