EasyManua.ls Logo

Weiler E1650 - Page 167

Weiler E1650
174 pages
Print Icon
To Next Page IconTo Next Page
To Next Page IconTo Next Page
To Previous Page IconTo Previous Page
To Previous Page IconTo Previous Page
Loading...
Schematics
C
WEILER E1650 REMIXING TRANSFER VEHICLE
C-15
Schematics
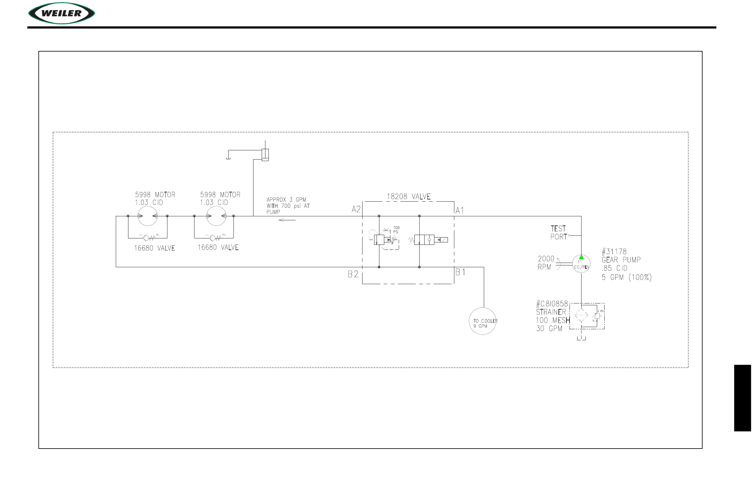
HYDRAULIC SCHEMATIC
#C8I0858
STRAINER
100 MESH
30 GPM
3 PSI
2000
RPM
11
CC/REV
#31178
GEAR PUMP
.85 CID
5 GPM (100%)
18208 VALVE
16680 VALVE
16680 VALVE
5998 MOTOR
1.03 CID
5998 MOTOR
1.03 CID
1
2
1
2
APPROX 3 GPM
WITH 700 psi AT
PUMP
A1
A2
B2
B1
700
PSI
TEST
PORT
TO COOLER
9 GPM

Related product manuals