EasyManua.ls Logo

Weiler E1650 - Page 168

Weiler E1650
174 pages
Print Icon
To Next Page IconTo Next Page
To Next Page IconTo Next Page
To Previous Page IconTo Previous Page
To Previous Page IconTo Previous Page
Loading...
Schematics
C
WEILER E1650 REMIXING TRANSFER VEHICLE
C-16
Schematics
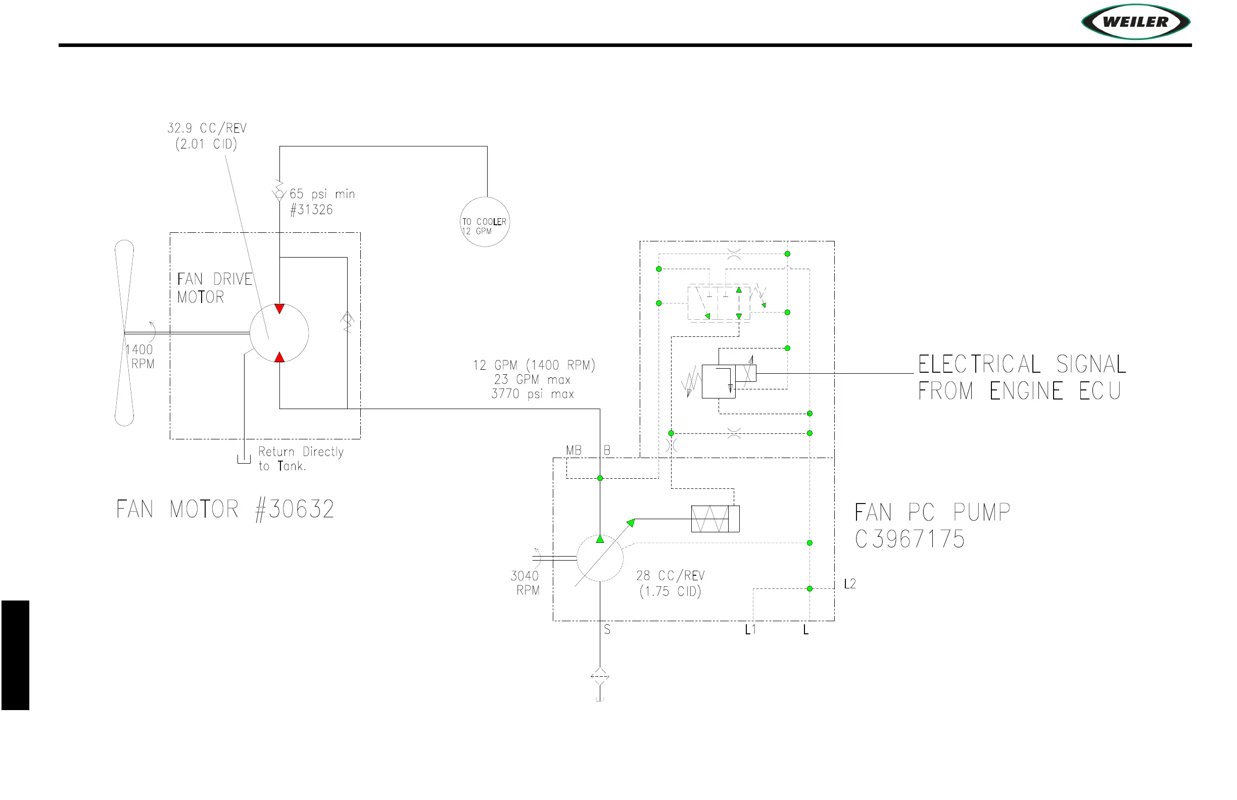
HYDRAULIC SCHEMATIC
FAN PC PUMP
C3967175
28 CC/REV
(1.75 CID)
12 GPM (1400 RPM)
23 GPM max
3770 psi max
1400
RPM
FAN DRIVE
MOTOR
32.9 CC/REV
(2.01 CID)
3040
RPM
S L1 L
L2
BMB
ELECTRICAL SIGNAL
FROM ENGINE ECU
65 psi min
#31326
FAN MOTOR #30632
Return Directly
to Tank.
TO COOLER
12 GPM

Related product manuals