EasyManua.ls Logo

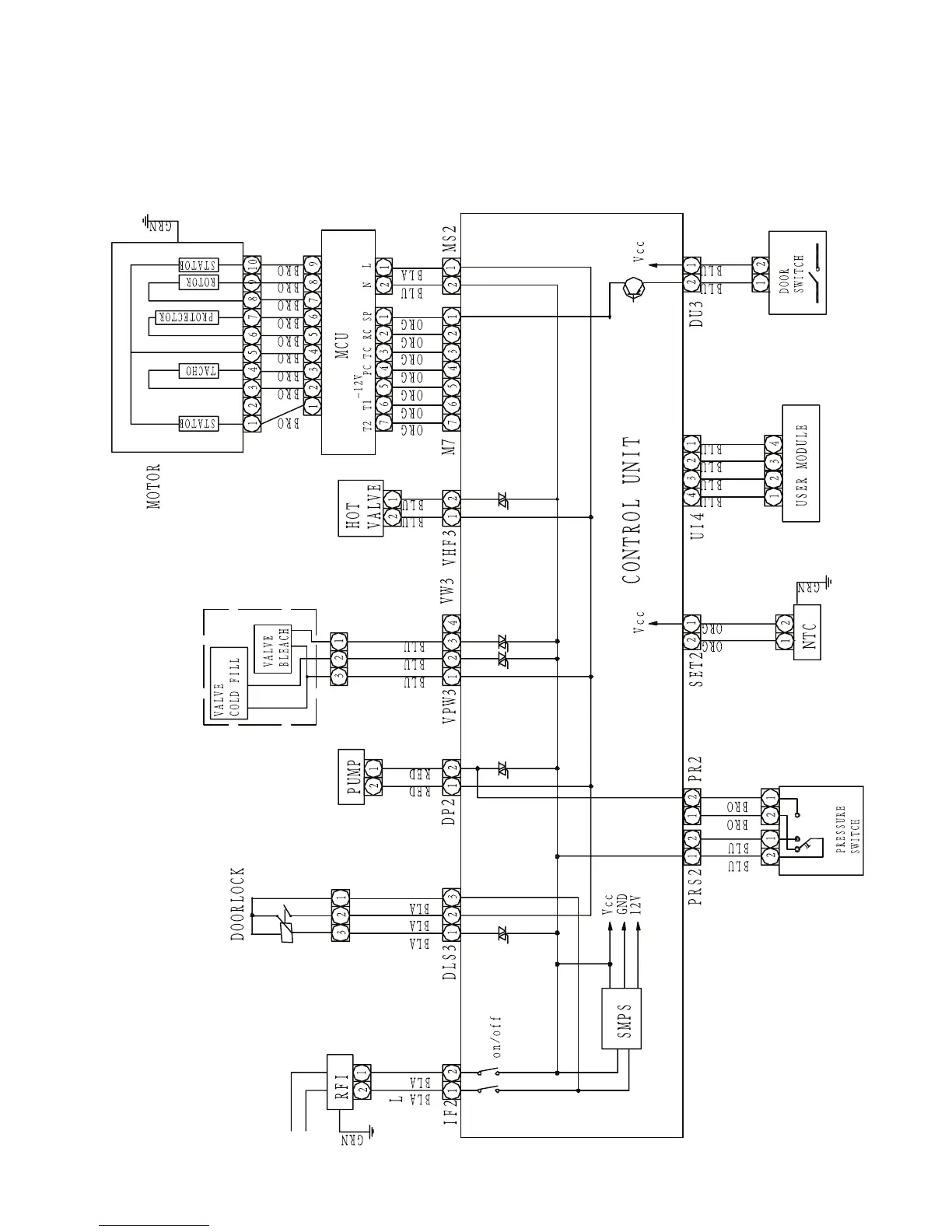
Whirlpool WFC7500VW0 - Wiring Diagrams; Washer

Whirlpool WFC7500VW0
90 pages
Print Icon
To Next Page IconTo Next Page
To Next Page IconTo Next Page
To Previous Page IconTo Previous Page
To Previous Page IconTo Previous Page
Loading...
7-1
WIRING DIAGRAMS
WASHER
Double
Valve

Table of Contents

Related product manuals