EasyManua.ls Logo

Yamaha LB2 1978 - Page 127

Yamaha LB2 1978
128 pages
Print Icon
To Next Page IconTo Next Page
To Next Page IconTo Next Page
To Previous Page IconTo Previous Page
To Previous Page IconTo Previous Page
Loading...
®
1-:,
®
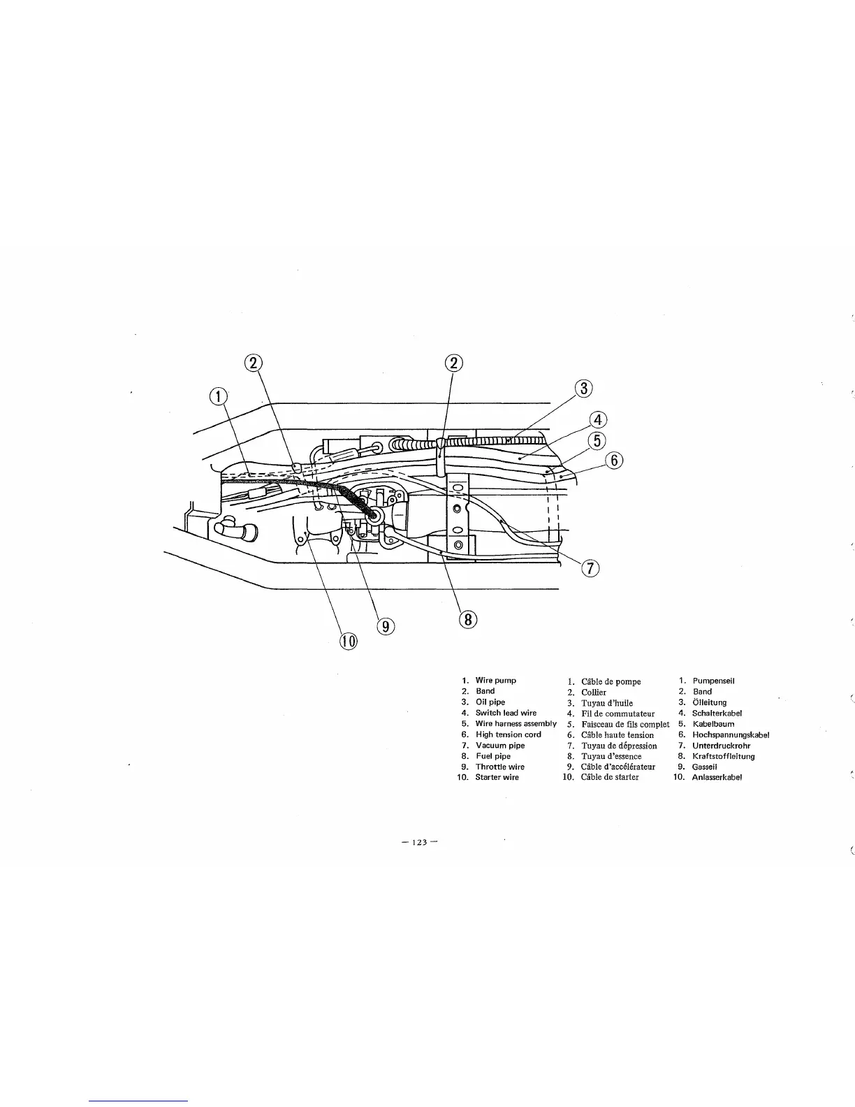
1.
Wire pump
1.
Cable de pompe
1.
Pumpenseil
2.
Band
2.
Collier
2.
Band
f
'•
3.
Oil pipe
3.
Tuyau d'huile
3. Olleitung
4.
Switch lead wire
4.
Fil de commutateur
4.
Scha lterkabel
5.
Wire
harness assembly
5.
Faisceau de
fils
complet
5.
Kabelbaum
6.
High
tension cord
6.
Cable haute tension
6.
Hochspannungskabel
7.
Vacuum pipe
7.
Tuyau de depression
7.
Unterdruckrohr
8.
Fuel pipe
8.
Tuyau d'essence 8. Kraftstoffleitung
9.
Throttle wire
9.
Cable d'accelerateur
9. Gasse
ii
10. Starter wire
10.
Cable de starter
10.
Anlasserkabel
r--::-,
-123-

Table of Contents

Related product manuals