EasyManua.ls Logo

YASKAWA MP2300Siec - Page 74

YASKAWA MP2300Siec
116 pages
Print Icon
To Next Page IconTo Next Page
To Next Page IconTo Next Page
To Previous Page IconTo Previous Page
To Previous Page IconTo Previous Page
Loading...
14.4 LIO-01/02 Module
14.4.9 LIO-02 Digital Output Circuit (Source Mode Output) Connection Example
72
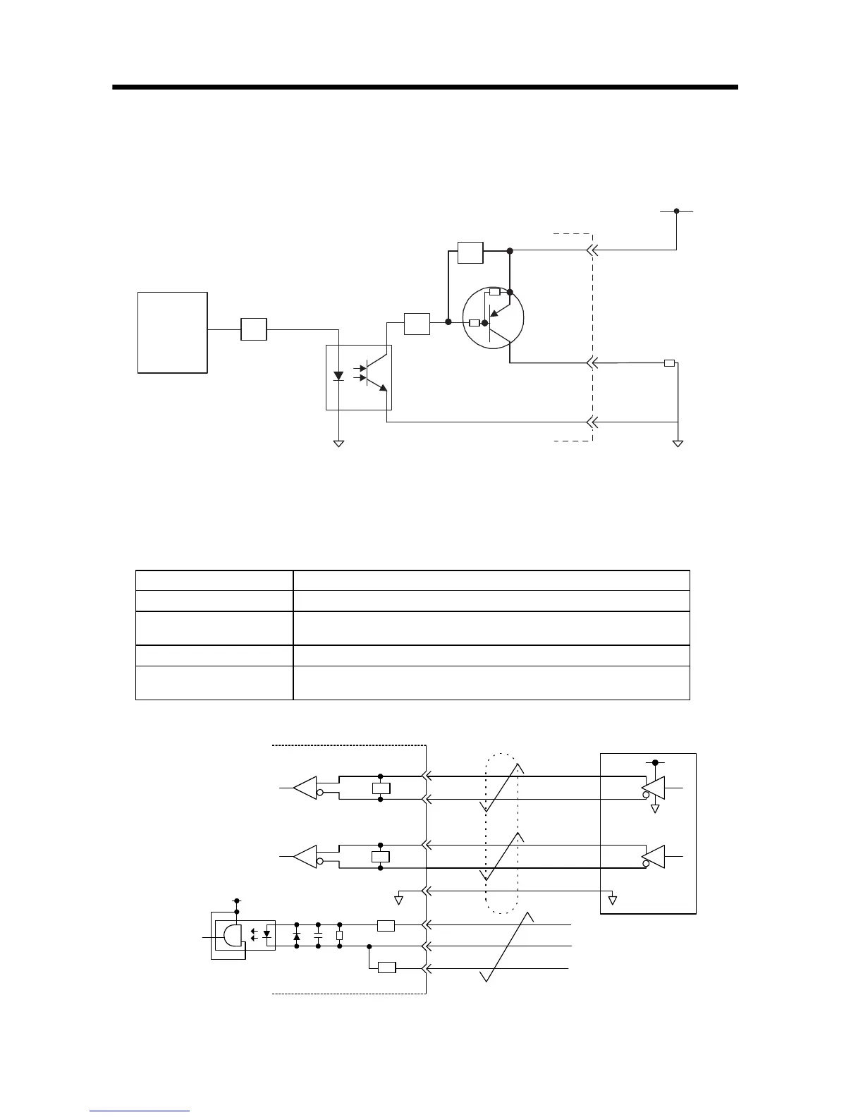
14.4.9 LIO-02 Digital Output Circuit (Source Mode Output)
Connection Example
14.4.10 Pulse Input Circuit
The following table shows the LIO-01/02 Module encoder circuit
specifications.
14.4.11 Encoder Circuit Connection Example
Item Specifications
Number of Encoders
1 (Phase-A/B/Z input)
Encoder Circuit
Phase-AB: 5V differential input, not isolated, Max frequency: 4 MHz
Phase-Z: 5V/12V photocoupler input, Max frequency: 500 kHz
Input Mode
Phase-A/B, signed, incremental/decremental
Latch Input
Position registration latch on phase-Z or DI_01.
Response time: 5 s Max for phase-Z input; 60 s Max for DI_01 input.
0
24
+24V
DO_24V
Output
register
DO_OUT
DO_COM
R
R
R
+5 V
0 V
Phase-A
A1
220Ω
Pulse Generator
Phase-B
PA
PAL
PB
PBL
GND
B1
A2
B2
B3
B4
A4
A3
+5 V
Latch input or
phase-Z pulse
PC
PCL5
PCL12
R
R
R
220Ω
R

Related product manuals