EasyManua.ls Logo

YASKAWA SGMGV - Three-Phase 200 V, SGDV-470 A01 A, -550 A01 A Models; Three-Phase 200 V SGDV-590 A01 A, -780 A01 A Models

YASKAWA SGMGV
400 pages
Print Icon
To Next Page IconTo Next Page
To Next Page IconTo Next Page
To Previous Page IconTo Previous Page
To Previous Page IconTo Previous Page
Loading...
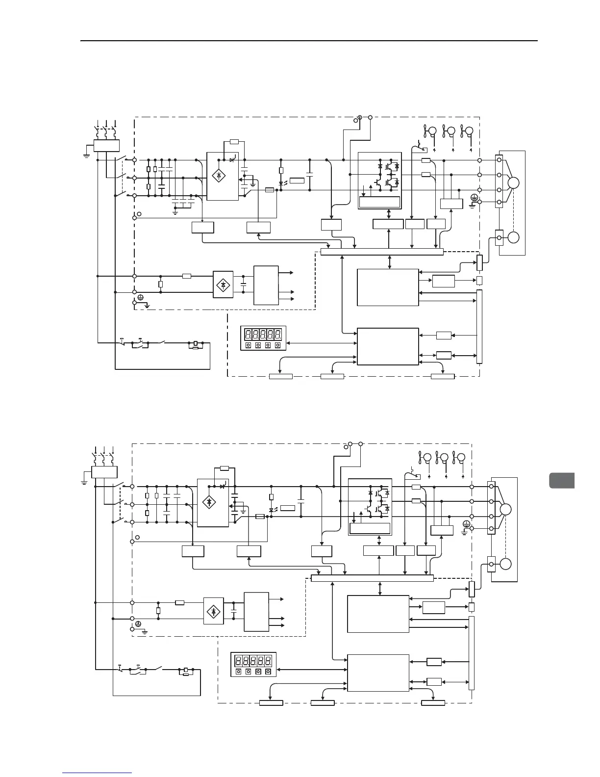
1.4 SERVOPACK Internal Block Diagrams
1-11
1
Outline
1.4.9 Three-phase 200 V, SGDV-470A01A, -550A01A Models
1.4.10 Three-phase 200 V SGDV-590A01A, -780A01A Models
1KM
L1
B1/ B2
L2
L3
L1C
L2C
U
V
W
CN3
1KM
CN2
ENC
A/D
I/O
CN1
CN5
M
CHARGE
CN7 CN8
+15V × 4
r12V
+5V
±12 V ±12 V±12 V
Three-phase
200 to 230 V
(50/60 Hz)
+10%
15%
Noise
filter
Current
sensor
Dynamic
brake circuit
Surge
absorber
Power
OFF
Power
ON
Open during
servo alarm
Servomotor
Gate
drive
Voltage
sensor
Voltage
sensor
Varistor
Varistor
Temperature
sensor
Thyristor
drive
Fan1 Fan2 Fan3
ASIC
(PWM control, etc.)
CPU
(Position/speed
calculation, etc.)
Panel operator
Digital operator
Encoder output
pulse
Analog monitor
output
Reference pulse
input
Speed/torque
reference input
I/O signal
Analog
voltage
converter
Personal
computer
Signal for safety fuction
Control
power
supply
Overheat protector
overcurrent protector
1Ry
1KM
L1
B1/ B2
L2
L3
L1C
L2C
U
V
W
CN3
1KM
1KM
1Ry
CN2
ENC
A/D
I/O
CN1
CN5
M
CHARGE
CN7 CN8
+15V × 4
r12V
+5V
±12 V ±12 V±12 V
Three-phase
200 to 230 V
(50/60 Hz)
+10%
15%
Noise
filter
Current
sensor
Dynamic
brake circuit
Surge
absorber
Power
OFF
Power
ON
Open during
servo alarm
Servomotor
Gate
drive
Voltage
sensor
Voltage
sensor
Varistor
Varistor
Temperature
sensor
Fan1 Fan2 Fan3
ASIC
(PWM control, etc.)
CPU
(Position/speed
calculation, etc.)
Panel operator
Digital operator
Encoder output
pulse
Analog monitor
output
Reference pulse
input
Speed/torque
reference input
I/O signal
Analog
voltage
converter
Personal
computer
Signal for safety fuction
Control
power
supply
Overheat protector
overcurrent protector
Thyristor
drive

Table of Contents

Related product manuals