EasyManua.ls Logo

YASKAWA SGMGV - Examples of Encoder Connection; Connection Example of an Encoder

YASKAWA SGMGV
400 pages
Print Icon
To Next Page IconTo Next Page
To Next Page IconTo Next Page
To Previous Page IconTo Previous Page
To Previous Page IconTo Previous Page
Loading...
3 Wiring and Connection
3.5.1 Connection Example of an Encoder
3-36
3.5 Examples of Encoder Connection
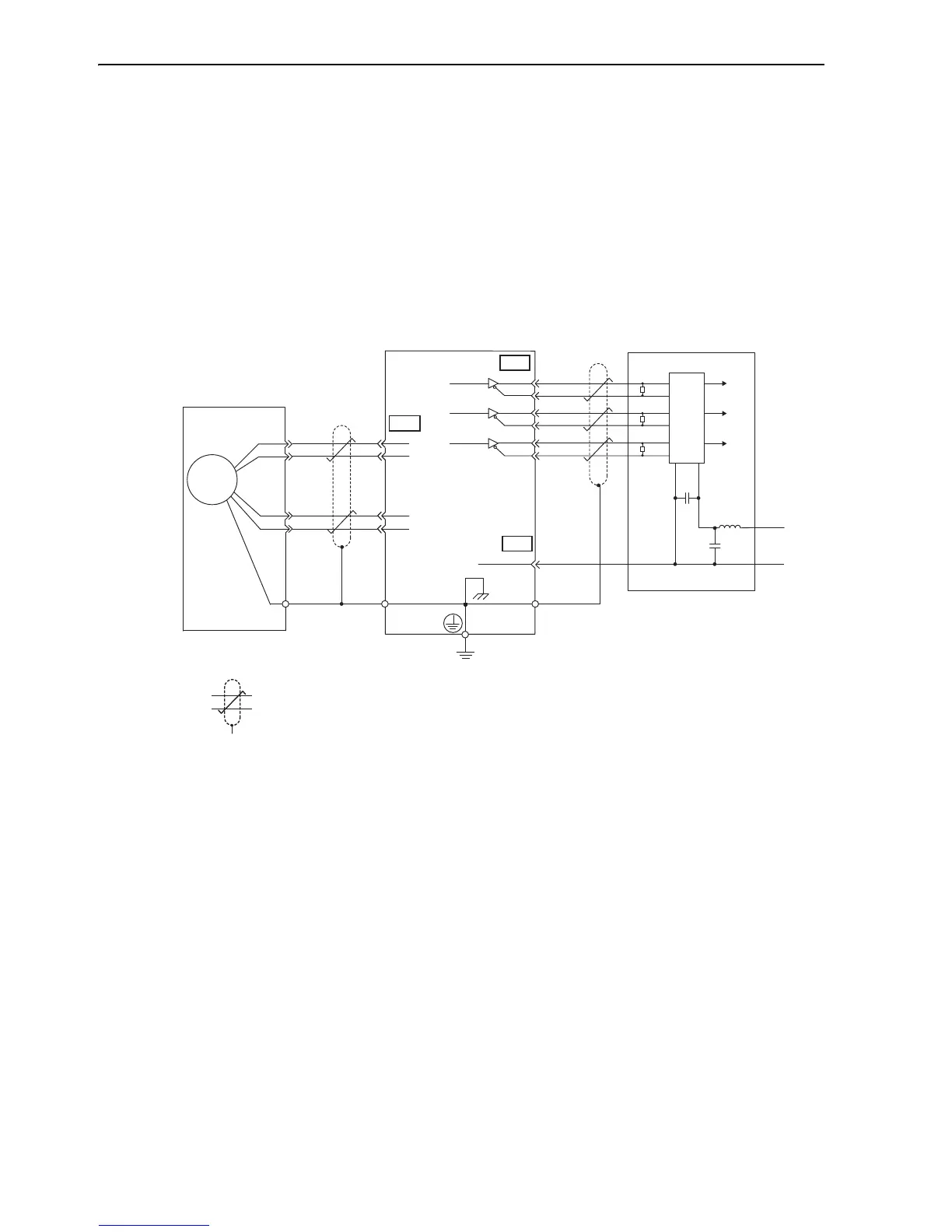
This section describes the connection example of output signals between encoder, SERVOPACK and host
controller.
CN2 encoder connector terminal layout is also described.
3.5.1 Connection Example of an Encoder
The following diagram shows the example of connecting encoder.
(1) Incremental Encoder
∗1. The pin numbers for the connector wiring differ depending on the servomotors.
∗2. : represents twisted-pair wires.
∗3. Applicable line receiver: SN75ALS175 manufactured by Texas Instruments or MC3486, or the equivalent.
35
0V
SG
1
0V
0V
+5V
+5V
PA
O
/PAO
PBO
/PBO
PCO
/PCO
1
2
5
6
CN2
33
34
36
19
20
CN1
Light blue
PG5V
PG0V
PS
/PS
White/
light blue
Incremental
encoder
Red
Black
Shield wire
(Shell)
Connector shell
Connector
shell
Output line-driver SN75ALS174
or the equivalent.
Phase A
PhaseA
Phase B
PhaseB
Phase C
PhaseC
SERVOPACK
Line receiver
Host controller
Choke
coil
Smoothing
capacitor
R (terminal resistance): 220 to 470Ω
C (Decoupling Capacitor)0.1 μF
CN1
11
5
3
2
1
R
R
R
6
7
10
9
816
C
+
-
1
2
2
3
ENC

Table of Contents

Related product manuals