EasyManua.ls Logo

ABB ACS560 - Page 241

ABB ACS560
514 pages
Print Icon
To Next Page IconTo Next Page
To Next Page IconTo Next Page
To Previous Page IconTo Previous Page
To Previous Page IconTo Previous Page
Loading...
Parameters 241
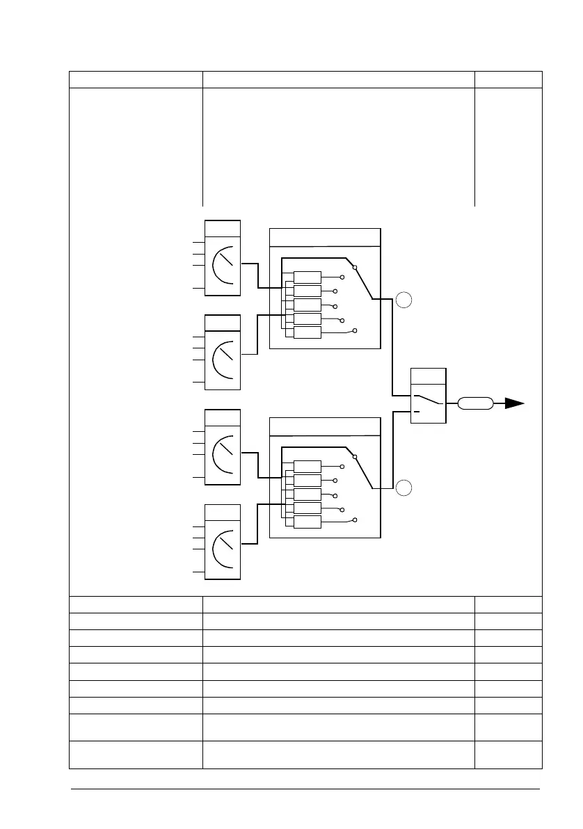
28.11 Ext1 frequency ref1 Selects Ext1 frequency reference source 1.
Two signal sources can be defined by this parameter and
28.12 Ext1 frequency ref2. A mathematical function (28.13
Ext1 frequency function) applied to the two signals creates an
Ext1 reference (A in the figure below).
A digital source selected by 19.11 Ext1/Ext2 selection can be
used to switch between Ext1 reference and the
corresponding Ext2 reference defined by parameters 28.15
Ext2 frequency ref1, 28.16 Ext2 frequency ref2 and 28.17
Ext2 frequency function (B in the figure below).
AI1 scaled
Zero None 0
AI1 scaled 12.12 AI1 scaled value (see page 189)1
AI2 scaled 12.22 AI2 scaled value (see page 191)2
FB A ref1 03.05 FB A reference 1 (see page 168)4
FB A ref2 03.06 FB A reference 2 (see page 168)5
EFB ref1 03.09 EFB reference 1 (see page 168)8
EFB ref2 03.10 EFB reference 2 (see page 169)9
Motor
potentiometer
22.80 Motor potentiometer ref act (output of the motor
potentiometer)
15
PID 40.01 Process PID output actual (output of the process PID
controller)
16
No. Name/Value Description Def/FbEq16
19.11
1
0
28.13
MUL
SUB
ADD
MIN
MAX
28.11
28.12
28.92
0
AI
FB
Other
0
AI
FB
Other
Ref1
28.17
MUL
SUB
ADD
MIN
MAX
28.15
28.16
0
AI
FB
Other
0
AI
FB
Other
Ref1
A
B
Ext1
Ext2

Table of Contents

Other manuals for ABB ACS560

Related product manuals