EasyManua.ls Logo

ABB ACS860 - Frequency Reference Chain

ABB ACS860
438 pages
Print Icon
To Next Page IconTo Next Page
To Next Page IconTo Next Page
To Previous Page IconTo Previous Page
To Previous Page IconTo Previous Page
Loading...
186 Parameters
28
28 Frequency reference
chain
Settings for the frequency reference chain.
See the control chain diagrams on pages 432 and 433.
28.01 Frequency ref ramp
input
Displays the used frequency reference before ramping. See
the control chain diagram on page 433.
This parameter is read-only.
-
-100.00 … 100.00
Hz
Frequency reference before ramping. See par.
46.02
28.02 Frequency ref ramp
output
Displays the final frequency reference (after selection,
limitation and ramping). See the control chain diagram on
page 433.
This parameter is read-only.
-
-100.00 … 100.00
Hz
Final frequency reference. See par.
46.02
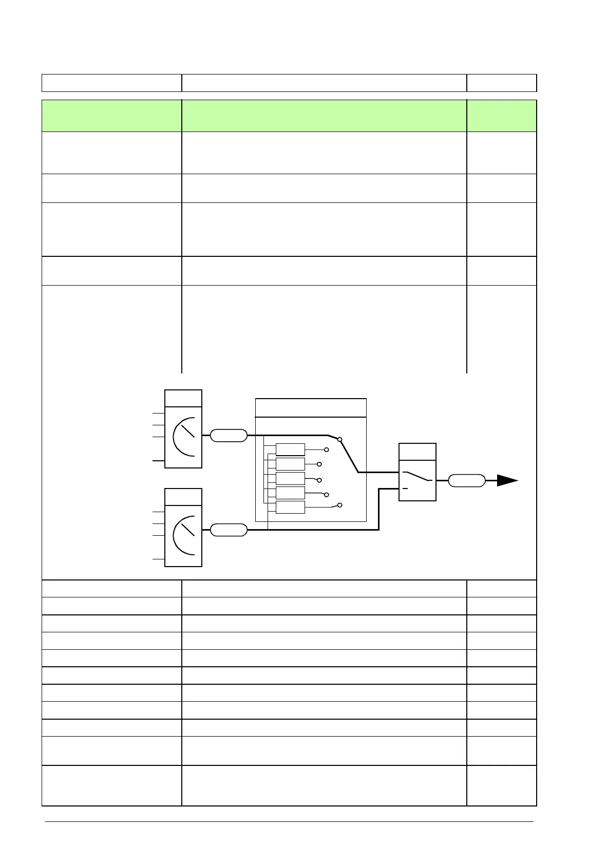
28.11 Frequency ref1
source
Selects frequency reference source 1.
Two signal sources can be defined by this parameter and
28.12 Frequency ref2 source. A digital source selected by
28.14 Frequency ref1/2 selection can be used to switch
between the two sources, or a mathematical function (28.13
Frequency ref1 function) applied to the two signals to create
the reference.
Zero
Zero None. 0
AI1 scaled 12.12 AI1 scaled value (see page 125). 1
AI2 scaled 12.22 AI2 scaled value (see page 127). 2
FB A ref1 03.05 FB A reference 1 (see page 98). 4
FB A ref2 03.06 FB A reference 2 (see page 98). 5
EFB ref1 03.09 EFB reference 1 (see page 98). 8
EFB ref2 03.10 EFB reference 2 (see page 98). 9
DDCS ctrl ref1 03.11 DDCS controller ref 1 (see page 98). 10
DDCS ctrl ref2 03.12 DDCS controller ref 2 (see page 98). 11
Motor
potentiometer
22.80 Motor potentiometer ref act (output of the motor
potentiometer).
15
Control panel (ref
saved)
Control panel reference, with initial value from last-used panel
reference. See section Using the control panel as an external
control source (page 21).
18
No. Name/Value Description Def/FbEq16
28.14
1
0
28.13
MUL
SUB
ADD
28.11
28.12
28.92
28.90
28.91
0
AI
FB
Other
0
AI
FB
Other
Ref1
MIN
MAX

Table of Contents

Related product manuals