EasyManua.ls Logo

ABOV SEMICONDUCTOR MC81F4204 - 6. Port Structure; Port Structure Configurations

Default Icon
155 pages
Print Icon
To Next Page IconTo Next Page
To Next Page IconTo Next Page
To Previous Page IconTo Previous Page
To Previous Page IconTo Previous Page
Loading...
MC81F4204
April 24, 2012 Ver.1.41 23
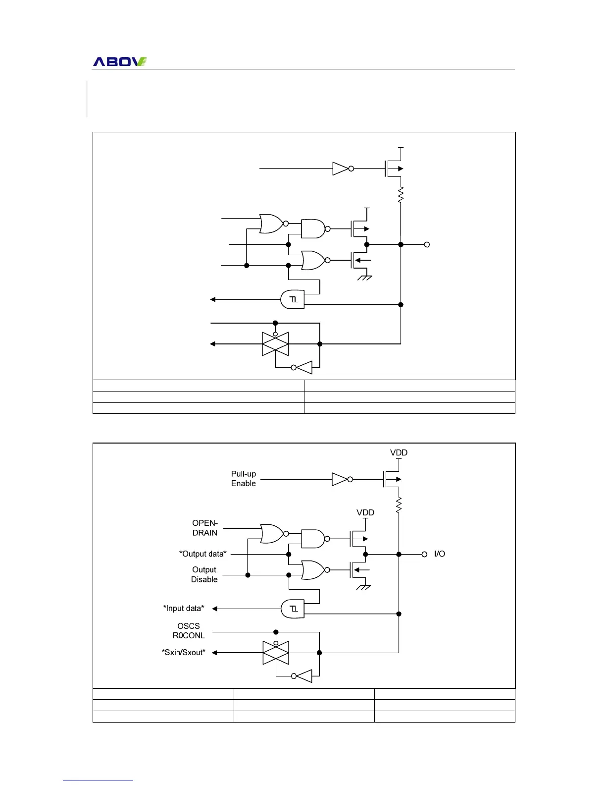
6. PORT STRUCTURE
[Schmitt trigger In] + [Out/Open-drain-out] + [Xin/Xout]
VDD
OPEN-
DRAIN
*Output data*
Output
Disable
VDD
Pull-up
Enable
I/O
*Xin/Xout*
*Input data*
OSCS
ROM Option
Input/Output data Clock
R33 Xin
R34 Xout
[Schmitt trigger In] + [Out/Open-drain-out] + [SXin/SXout]
Input/Output data Input data Clock
R00 EXT10 SXin
R01 EXT11 SXout

Table of Contents