EasyManua.ls Logo

ABOV SEMICONDUCTOR MC81F4204 - 16.2 Timer 0 8-Bit Mode

Default Icon
155 pages
Print Icon
To Next Page IconTo Next Page
To Next Page IconTo Next Page
To Previous Page IconTo Previous Page
To Previous Page IconTo Previous Page
Loading...
MC81F4204
April 24, 2012 Ver.1.41 99
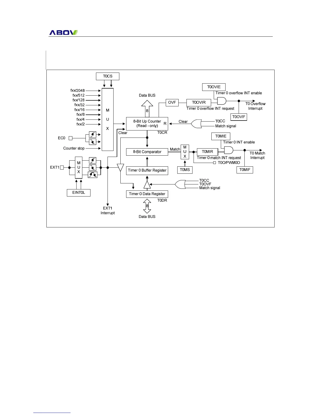
16.2 Timer 0 8-Bit Mode
Timer 0 has the following functional components:
- Clock frequency divider (fxx divided by 2048, 512, 128, 32, 16, 8, 4, 2) with multiplexer
- External clock input pin, EC0 (R02)
- I/O pins for capture input, EXT1 (R03) or PWM or match output PWM0O/T0O (R03)
- 8-bit counter (T0CR), 8-bit comparator, and 8-bit reference data register (T0DR)
- Timer 0 status and control register (T0SCR)
- Timer 0 overflow interrupt and match interrupt generation
Figure 16-1 8-bit Timer 0 Block Diagram

Table of Contents