EasyManua.ls Logo

ABOV SEMICONDUCTOR MC81F4204 - Page 25

Default Icon
155 pages
Print Icon
To Next Page IconTo Next Page
To Next Page IconTo Next Page
To Previous Page IconTo Previous Page
To Previous Page IconTo Previous Page
Loading...
MC81F4204
April 24, 2012 Ver.1.41 25
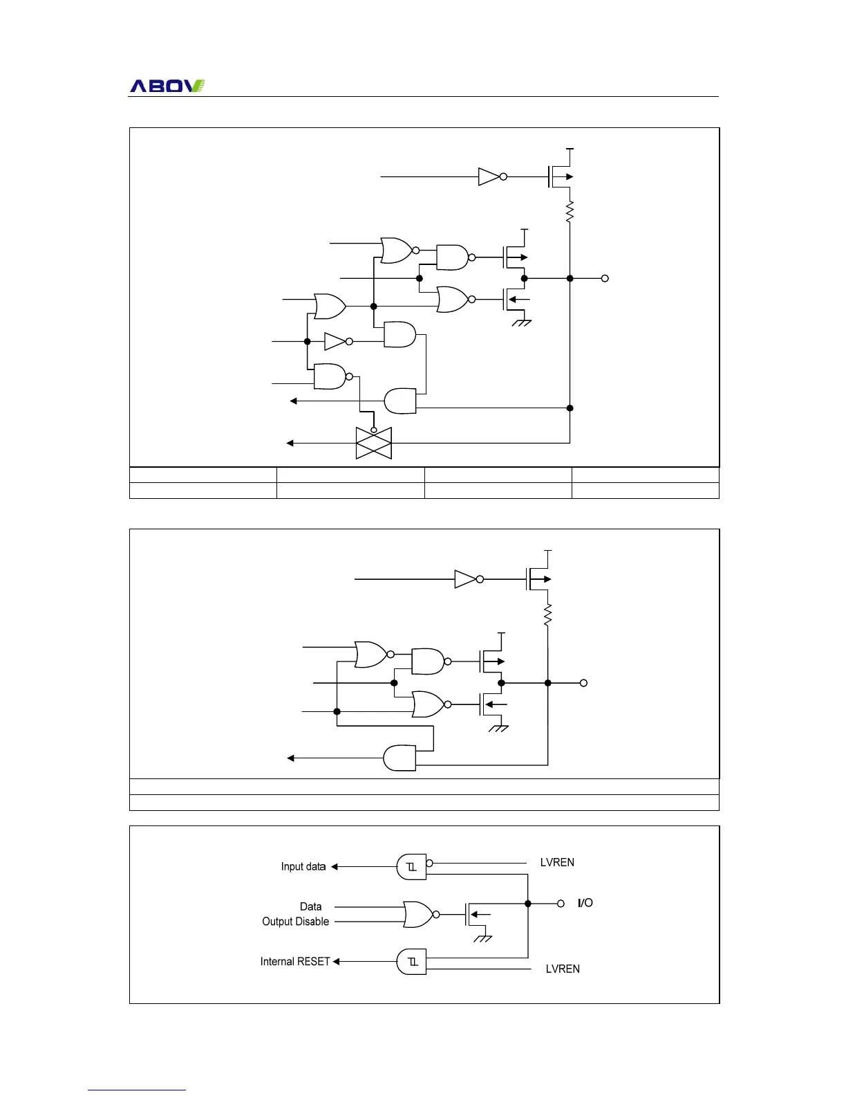
[Input] + [Out / Open-drain-out] + [ADC]
VDD
OPEN-
DRAIN
*Output data*
Output
Disable
VDD
Pull-up
Enable
I/O
*ADC*
*Input data*
ADC enable
ADC select
Input/Output data Input data Output data ADC
R31 - - AN14
[Input] + [Out/Open-drain out]
VDD
OPEN-
DRAIN
*Output data*
Output
Disable
VDD
Pull-up
Enable
I/O
*Input data*
Input/Output data
R32
[Schmitt trigger In] + [Open-drain-out] + [Reset]
R35/RESETB

Table of Contents