EasyManua.ls Logo

ADCMT 6243 - 4.1 DUT Connection

Default Icon
296 pages
Print Icon
To Next Page IconTo Next Page
To Next Page IconTo Next Page
To Previous Page IconTo Previous Page
To Previous Page IconTo Previous Page
Loading...
6243/44 DC Voltage Current Source/Monitor Operation Manual
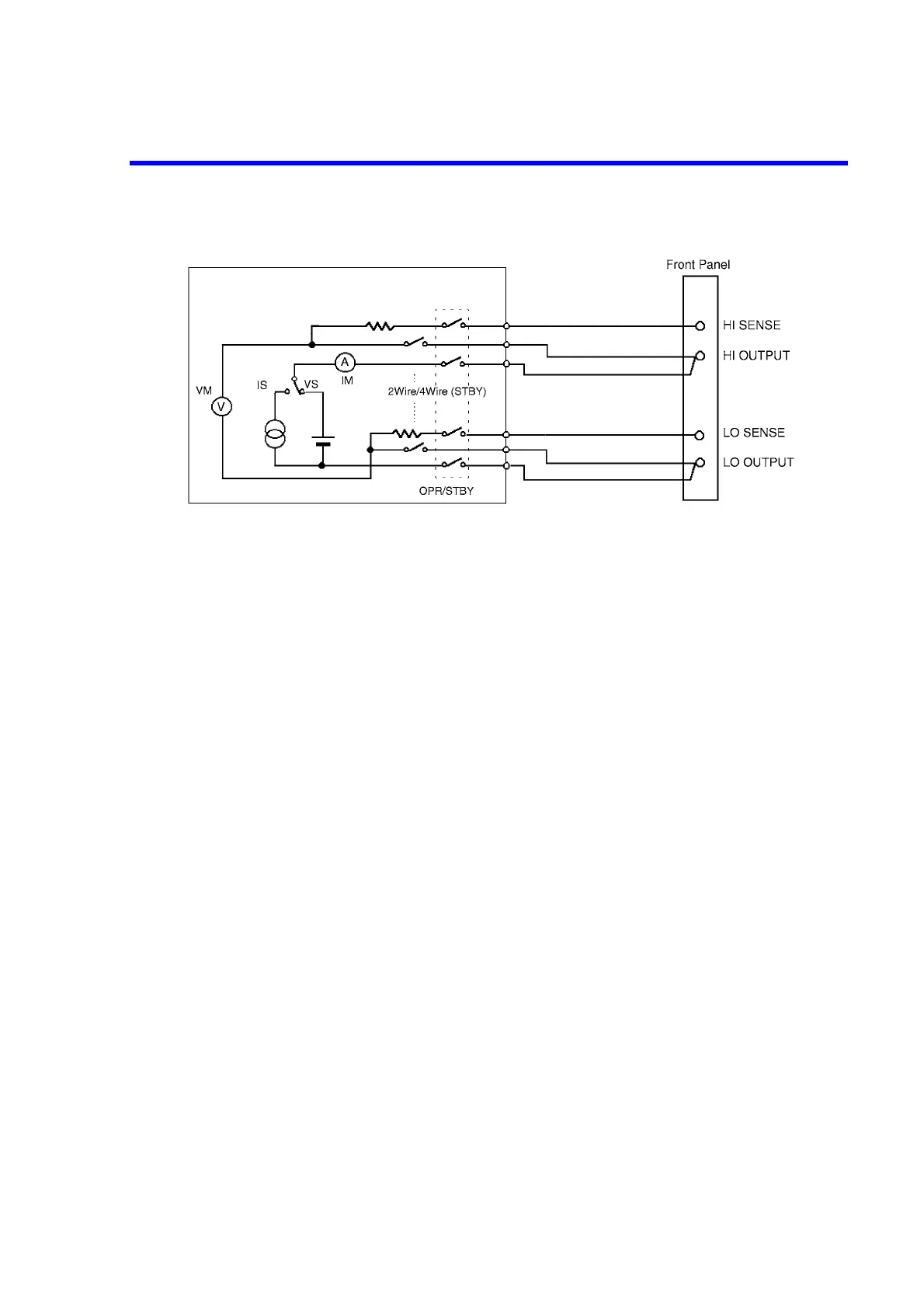
4.1.2 Remote Sensing (2-wire/4-wire Connection)
4-2
Figure 4-2 Internal Wiring (6244)
4.1.2 Remote Sensing (2-wire/4-wire Connection)
When connecting the 6243/44 and the DUT, select 2-wire connection or 4-wire connection considering the
following.
When the output current is a relatively low current and lead resistance is not a problem, use a 2-wire
connection.
When the output current is a relatively large current and lead resistance is a problem, use a 4-wire
connection.
When used at the specified accuracy
(Line resistance Output current) 10 V 2-wire connection
(Line resistance Output current) 10 V 4-wire connection
The line resistance of the supplied leads A01044 is approximately 100 m.
The above calculations show that a 4-wire connection should be used when the output current is
100 A or larger.
When ev error is allowed
(Line resistance Output current) ev 2-wire connection
(Line resistance Output current) ev 4-wire connection
When the supplied leads A01044 is used and the error allowance is ev = 10 mV, a 2-wire connection
can be used up to 100 mA.
The procedure for a 2-wire connection or a 4-wire connection is as follows:
1. Press the MENU key.
2. Select the SOURCE parameter group and select the Remote Sensing parameter.
3. For a 2-wire connection, select 2 Wire.
For a 4-wire connection, select 4 Wire.
When 4 Wire is set, 4 WIRE indicator is ON on the front panel.

Table of Contents

Related product manuals