EasyManua.ls Logo

Ammann ASC 70 - Page 161

Ammann ASC 70
184 pages
Print Icon
To Next Page IconTo Next Page
To Next Page IconTo Next Page
To Previous Page IconTo Previous Page
To Previous Page IconTo Previous Page
Loading...
157ASC70
X47
87 30
85 86
86
30
85
87a
85
30
86
87a
30
85
87a
87
86
86
87
85
30
30
86
87a
87
85
87 30
86 85
X44:2
X44:1
X43:4
X43:3
X43:2
X43:1
X6:2
X4:3
B
L
IG
X5:4
X28
X26:1 X9:8
X4:4
F
X4:2
X18:8
X9:7 X10:7
49a
31
49
X10:4
X10:3
5
7
1
15/5430
50a
X5:2
X11:1
X2
X4:7
X4:8
X5:1
X13:6 X13:5 X11:5
X3:11
X5:3
X13:3
X11:3
X13:1
X3:10
X13:2 X11:2
7.5A
X3:9
1 5
1
9
5
10
X9:5X1O:5
X3:8
X3:7
3
8
2
10
6
5
1
10A
X18:6,7
X18:5
X18:4
X18:3
X18:2 X3:6
X18:1 X3:5
X9:2X10:2
1
9
5
10
9
1
8
6
10
3
2
20A
X6:1
X3:1
X3:2
X3:4
P
Z
7
5
1
2 1
NO C
CNC
X12:3X14:3
X12:7X14:7
X9:4
X9:3
X9:1X10:1
1
3
7
4
2
8
50A
50
31
30
66Ah12V66Ah12V
1
3
7
4
2
8
50
3130
X11:6
E
B
D
J
M
X4:1
5
6
2
11 9 1
X11:4
X14:8X12:8
10
5
7
X11:7 X33:1
12
4
3
8 7
X14:1
X33:2
X13:4
L
K
30A125A
2
1
3
4
X10:9
X4:5
X4:6
30
86
87a
87
85
1
9
5
10
30
15
87
87a
31
X12:2 X14:2
X14:7X12:7
X14:6X12:6
X14:4X12:4
A
A
A
A
A1
A4
A3
A2
30
86
87a
87
85
30
86
87
87a
85
330R
330R
K7
K6
K11
K5
K4
K3
K2
K1
G
G3
Y8
Y11
Y14
A1
X27
S7
S3
H6
H4
S13
H5
S12
S11
F3
S9
S8
E15
H1
E10
E13
S6
F2
E6
E7
E3
E2
S5
S4
F1
S21
Y6
Y9
Y10
H2
H3
S14
E12
E11
E9
E8
E5
E4
S19
H7
S18
A2
S2
F9
Q1
M
M2
G2G1
S1
Y1
Y2
Y3
Y4
Y7
V3
M
M1
F12
K10
R3
E1
E14
S35
S22
F11F10
X8
K8
S40
A5
V14
V14
S17
K15
K14
R2
R1
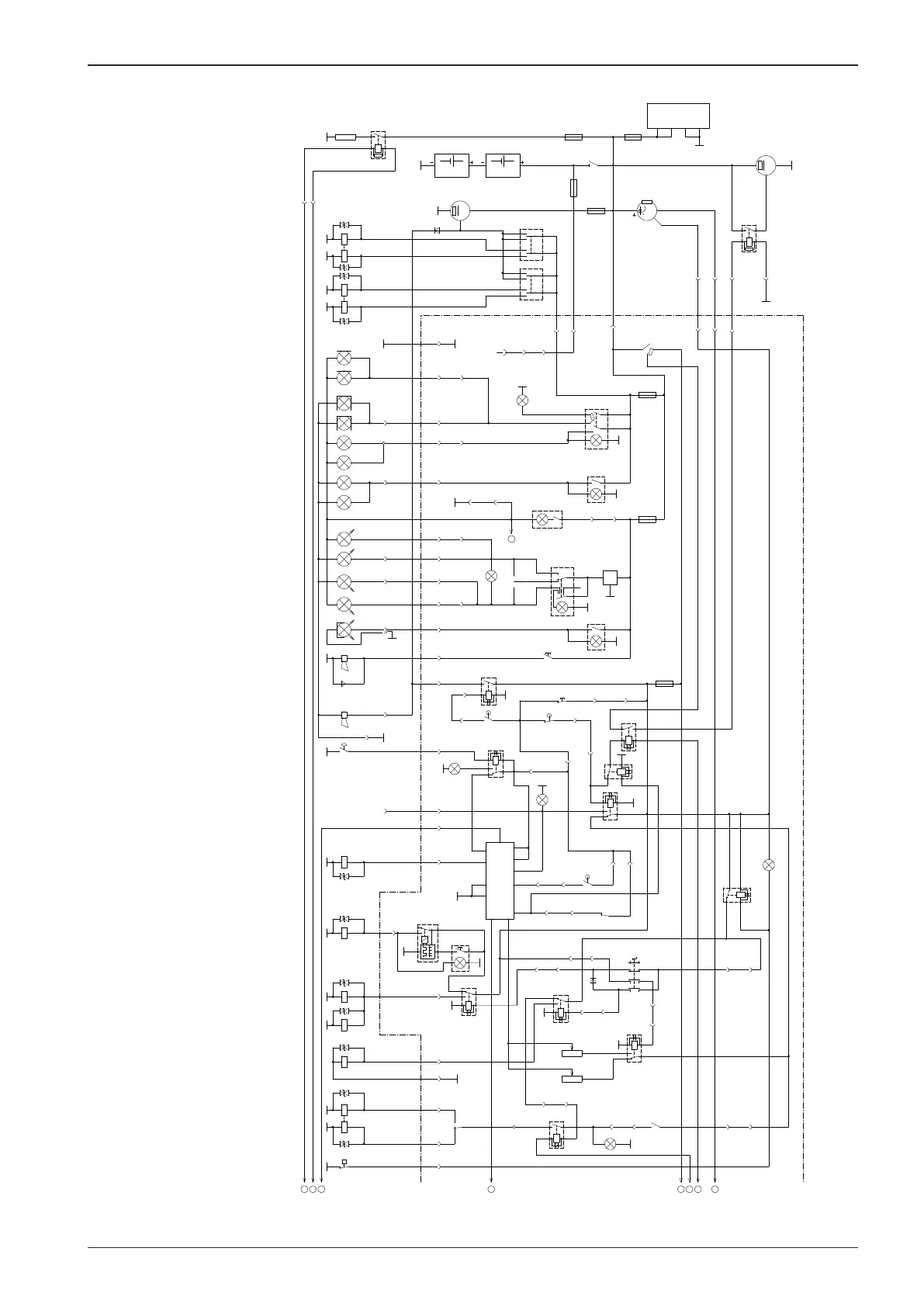
212261_1en
Switching OFF RTM module
Fast travel – RH wheel
Brake
Brake pressure switch
Vibration 1
Vibration 2
Cab lighting
Front fender lights
Rear lamps
Front headlights
Rear headlights
Front LH direction-indicator
Hazard beacon
Hydraulic oil level
Backing horn
Horn
Fast travel – drum
Cab lifting
Cab lowering
Bonnet lifting
Bonnet lowering
Fast travel – LH wheel
Rear LH direction-indicator
Rear RH direction-indicator
Front RH direction-indicator
to secure travel
Electronics
Engine
connector
Radio
supply
MAINTENANCE MANUAL

Table of Contents

Other manuals for Ammann ASC 70

Related product manuals