EasyManua.ls Logo

Ammann ASC 70 - Page 167

Ammann ASC 70
184 pages
Print Icon
To Next Page IconTo Next Page
To Next Page IconTo Next Page
To Previous Page IconTo Previous Page
To Previous Page IconTo Previous Page
Loading...
163ASC70
4
3
1
2
X18:8
Z
3
8
2
10
6
5
1
X1O:5 X9:5
5
7
1
49a
31
49
X10:7
1
9
5
10
9
1
8
6
10
3
2
1
9
5
10
X29:3
X6:1
X29:1
X3:5X18:1
X3:6X18:2
X18:3
X18:4
X3:7
X3:8
X29:4
X9:7
X9:2X10:2
X29:5
X29:8
X30:2
X29:2X30:1
X30:3
X29:7
X30:4
X28
X29:7
X26:1
X47
87 30
85 86
86
30
85
87a
85
30
86
87a
30
85
87a
87
86
86
87
85
30
30
86
87a
87
85
87 30
86 85
X44:2
X44:1
X43:4
X43:3
X43:2
X43:1
X4:3
B
L
IG
X5:4
X4:6
X9:8
X4:4
F
X4:2
15/5430
50a
X5:2
X11:1
X2
X4:5
X4:7
X4:8
X5:1
X13:6 X13:5 X11:5
X3:11
X5:3
X13:3
X11:3
X13:1
X3:10
X13:2 X11:2
7.5A
X3:9
1 5
1
9
5
10
10A
X18:6,7
X18:5
20A
X3:1
X3:2
X3:4
P
7
5
1
2 1
NO C
CNC
1
3
7
4
2
8
50A
50
31
30
66Ah12V66Ah12V
1
3
7
4
2
8
50
3130
X11:6
E
B
D
J
M
X4:1
5
6
2
11
9
1
X11:4
X14:8X12:8
10
5
7
X11:7 X33:1
12
43
8
7
X14:1
X33:2
X13:4
L
K
30A125A
X10:9
X6:2
30
86
87a
87
85
1
9
5
10
30
15
87
87a
31
X14:3 X12:3X12:2 X14:2
X14:7X12:7
X14:6X12:6
X14:4X12:4
A
A
A
A
A1
A4
A3
A2
30
86
87a
87
85
30
86
87
87a
85
330R
330R
X8
E17
E16
E14
S6
H1 S7
A1
S34
S4
S5
E1
E4
E5
E8
E9
E11
E12
E2
E3
E7
E6
E13
E10
E19
E20
E18
K7
K6
K11
K5
K4
K3
K2
K1
G
G3
Y8
Y11
Y14
X27
S3
H6
H4
S13
H5
S12
S11
F3
S9
S8
E15
F2
F1
S21
Y6
Y9
Y10
H2
H3
S14
S19
H7
S18
A2
S2
F9
Q1
M
M2
G2G1
S1
Y1
Y2
Y3
Y4
Y7
V3
M
M1
F12
K10
R3
S35
S22
F11F10
K8
S40
A5
V14
V14
S17
K15
K14
R2
R1
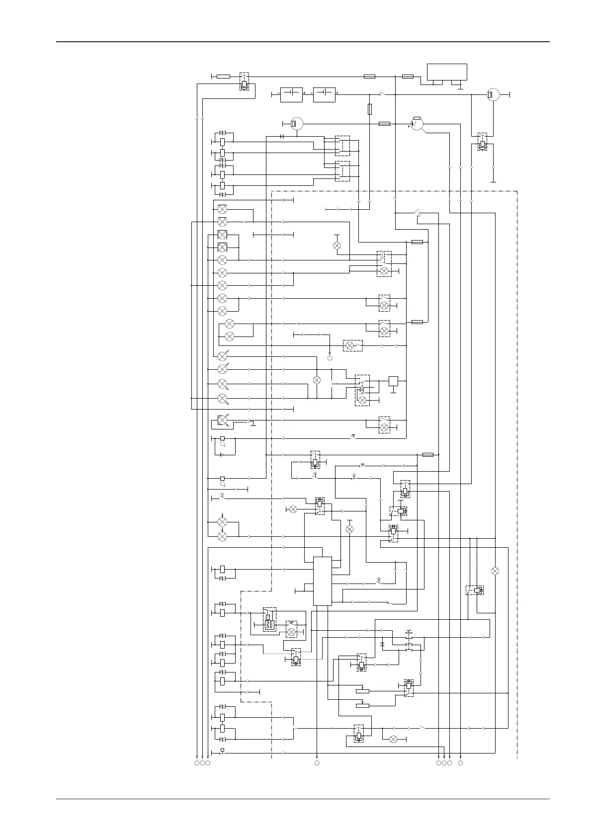
212262_1en
Switching OFF RTM module
Fast travel – RH wheel
Brake pressure switch
Vibration 1
Vibration 2
Cab lighting
Front fender lights
Rear lamps
Registration plate illumination
Front headlights
Rear headlights
Front auxiliary lights
Front LH direction-indicator
Hazard beacon
Horn
Hydraulic oil level
Brake
Brake lights
Backing horn
Fast travel – drum
Cab lifting
Cab lowering
Bonnet lifting
Bonnet lowering
Fast travel – LH wheel
Rear LH direction-indicator
Rear RH direction-indicator
Front RH direction-indicator
Engine connector
to secure travel
Electronics
Radio
supply
MAINTENANCE MANUAL

Table of Contents

Other manuals for Ammann ASC 70

Related product manuals