EasyManua.ls Logo

Ammann ASC 70 - Page 173

Ammann ASC 70
184 pages
Print Icon
To Next Page IconTo Next Page
To Next Page IconTo Next Page
To Previous Page IconTo Previous Page
To Previous Page IconTo Previous Page
Loading...
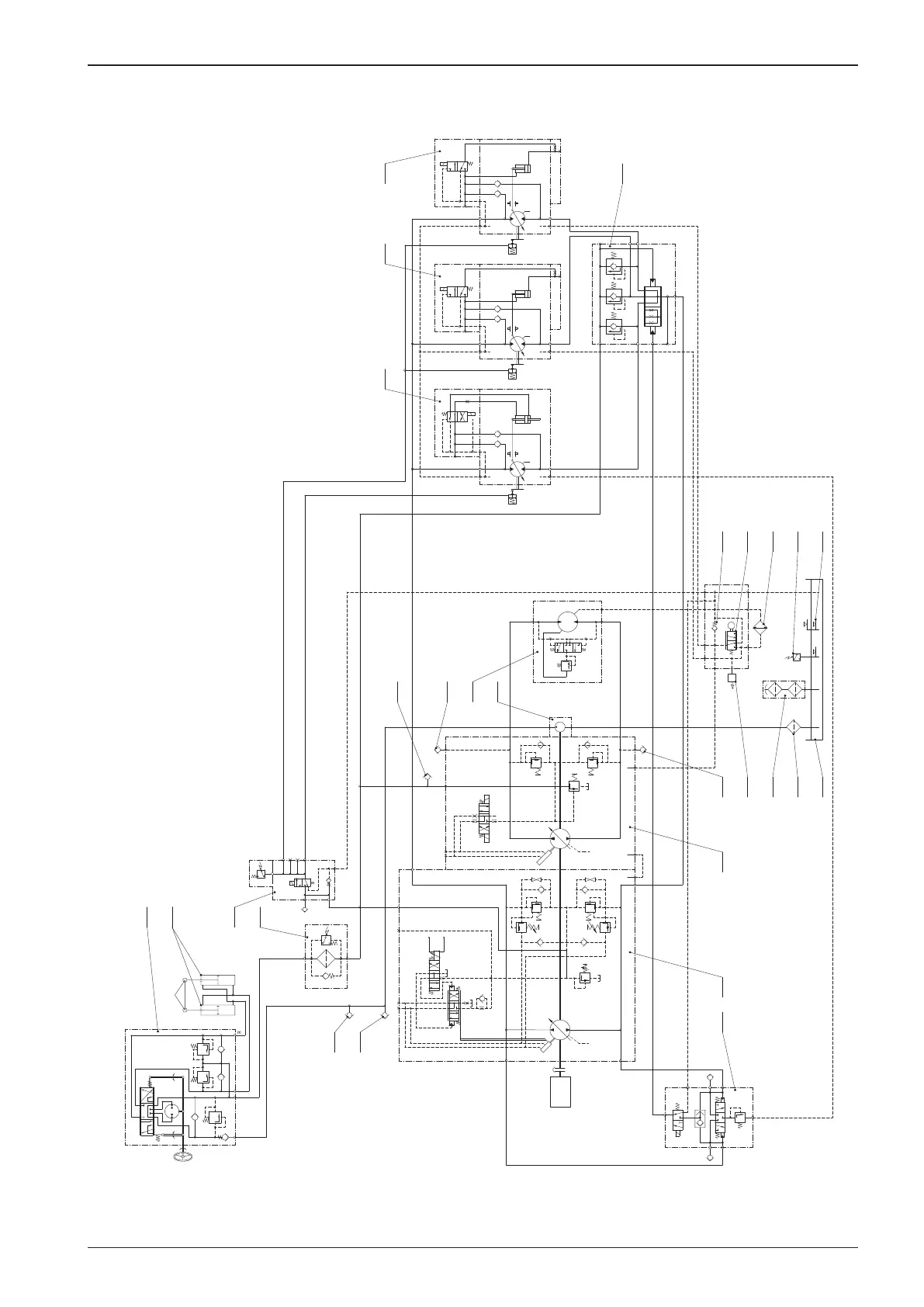
169ASC70
MAINTENANCE MANUAL
500
140
210
210
T LP
80/40-360
80/40-360
1,7 bar
1,4 bar
8
17 bar
16 bar
M
P1
T
B3
B4
B2
B1
B5
C
2
31
A
T
M
B
B
B
A
M
A
TN
C
55
24
350
350
46
28
345
345
28
35
100
°C
40°C
55°C
5bar
°C
T1 B
T2 A
G
D: 59/20ccm
HX: 52/20ccm
Vg min
Vg max
T1 A
G
B
T2
12
28
Vg min
Vg max
M1
B
S
X
P1
P
A
C
S
T2
T1 B
A
G
M1
12
28
Vg min
Vg max
11
9
14
16
27
28
113
18
19
20
2
25
29
3
8
29
28
22
24
23
17
21
5 6 7
12
108007en
2200
RPM
Drum
Version:
Left wheel
Right wheel

Table of Contents

Other manuals for Ammann ASC 70

Related product manuals