EasyManua.ls Logo

Ampac FireFinder PLUS - SmartTerminal Installation and Cabling; Setting SmartTerminal Address

Ampac FireFinder PLUS
128 pages
Print Icon
To Next Page IconTo Next Page
To Next Page IconTo Next Page
To Previous Page IconTo Previous Page
To Previous Page IconTo Previous Page
Loading...
Page 72
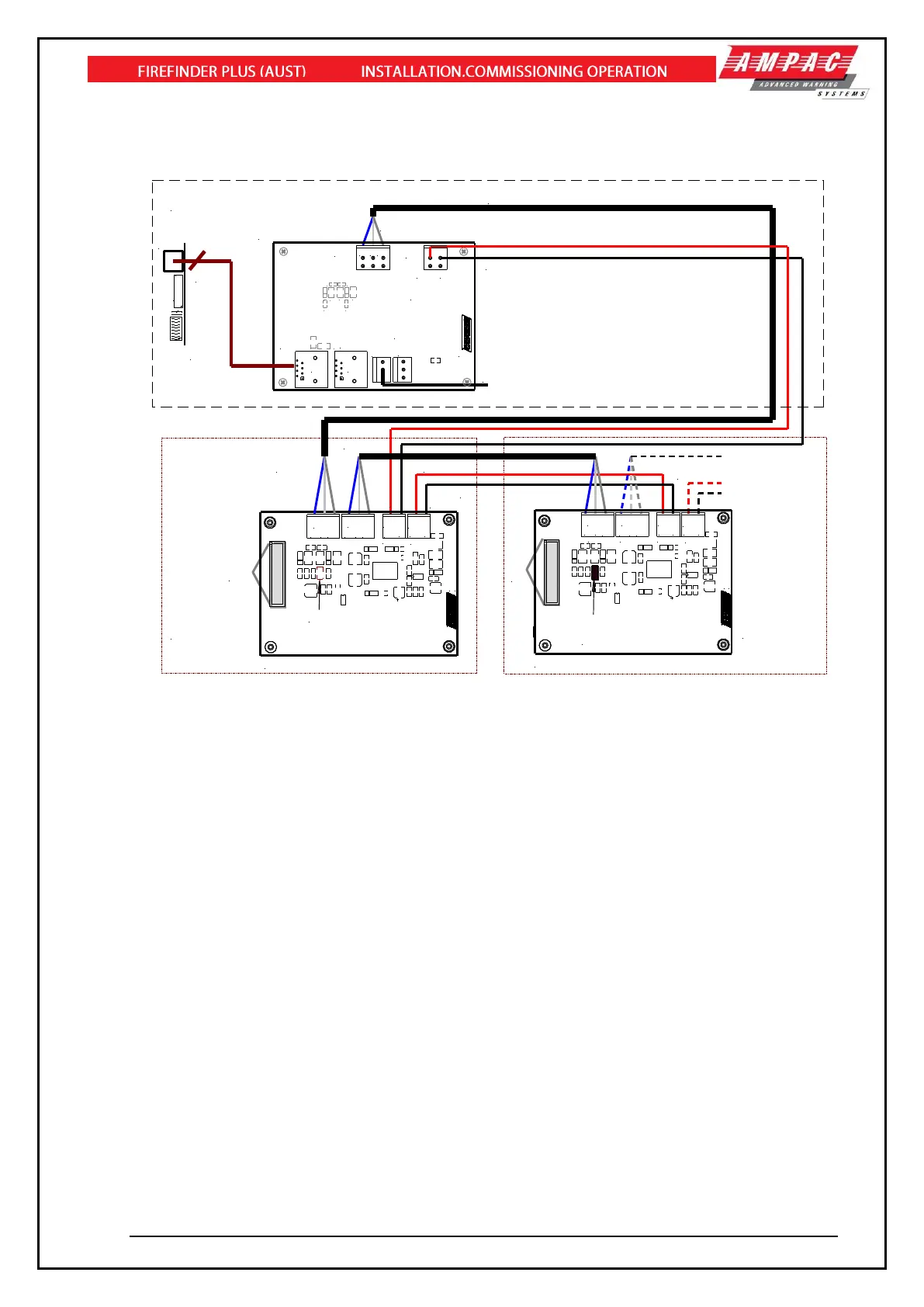
12.15.3 Installation & Cabling
SmartTerminal is connected to the FACP as shown below.
TERMINATION BOARD No.1 ( BRD82LTB2 )
SmartTerminal 1
SmartTerminal 2
(IF FITTED)
TO NEXT LCDA
MAXIMUM OF 30
LK1 MUST BE FITTED TO
THE LAST BOARD ON
THE COMMS BUS
TERMINATION BOARD No.2 ( BRD82LTB2 )
TO
LCD
TO
LCD
CN1
0V
POWER OUT
POWER IN
+24V
RS485
IN
RS485
OUT
03/05/2006
BRD82LTB2 -
TB2
TB1
TB4
TB3
LK1 NOT FITTED
COM
-
+
COM
-
+
0V
+24V
CN1
0V
POWER OUT
POWER IN
+24V
RS485 IN
RS485 OUT
03/05/2006
BRD82LTB2 -
TB2
TB1
TB4
TB3
COM
-
+
COM
-
+
0V
+24V
+24V
0V
VDC
IN
VDC
OUT
CN18
RN17
RN20
LOOP COMMS
BRD82LTB2
TB1
TB4
M1
M2
CN2
CN5
CN4
COMMUNICATIONS
EXTENDER BOARD
FACP MAIN
BOARD
RJ45
CABLE
TO AVAILABLE 27VDC
CONNECTOR (3 WAY)
SHIELDED COMMS CABLE
SHIELD
+24VDC
C15
C12
ZD2
ZD3
TH2
TH1
L2 L1
L6
RS485 OUT
COM
-
+
TO NEXT SmartTerminal
or LED MIMIC
0V
+24V
CN3
0V
IN
27VDC
IN OUT
OUT
CN20
Main Panel
Figure 101: Connecting SmartTerminal’s to the FACP
12.15.4 Setting the SmartTerminal Address
Open the front door; locate the “CONFIGbutton situated on the left hand side of the PCB and press
for 3 seconds. The buzzer and “Config” LED will double beep and flash respectively to indicate that the
Configuration mode has been entered.
The LCD will now display the Configuration screen. This screen consists of the code version number,
current address and four adjustment markers. These markers A-, A+, C-, and C+ are used to indicate
the buttons that adjust the address and LCD contrast.
Use the “PREVIOUS (A-) and NEXT” (A+) buttons to select the desired address. The default value for
this address is 255 which is not a valid SmartTerminal address. The user must then select an address
value from 1 to 30, i.e. the same address as that set in the FACP. The buttons corresponding to C-
(SILENCE BUZZER) and C+ (RESET) are used in a similar manner to decrease and increase the
LCD contrast level. There is audible feedback for all button presses.
Once the address has been set press the “CONFIG” button again for 3 seconds and the screen will
return to its default and the “DIAGNOSTIC” LED will return to a slow flash. This slow flash indicates
SmartTerminal and the FACP are communicating normally i.e. the LED flashes if communications
data is being received from the FACP.
Note: If the address is not set within the time out period of approximately 75 seconds
SmartTerminal will return to its previous state.

Table of Contents

Other manuals for Ampac FireFinder PLUS

Related product manuals