EasyManua.ls Logo

Branson 4015r - Page 322

Branson 4015r
454 pages
Print Icon
To Next Page IconTo Next Page
To Next Page IconTo Next Page
To Previous Page IconTo Previous Page
To Previous Page IconTo Previous Page
Loading...
6
-
44
42hW-201601
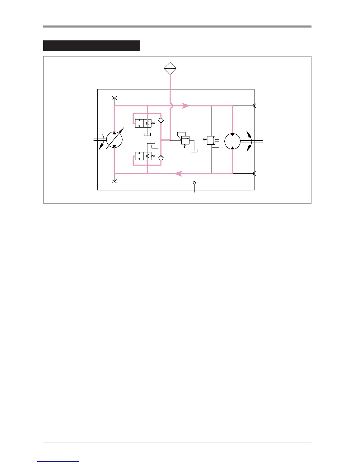
CHAPTER 6 HYDRAULIC SYSTEM 3015R(h)/3515R(h)/4015R(h)/F36R(h)/F42R(h) TRACTOR
When operating the forward/reverse pedal for forward or reverse driving, the angle of the swash plate is
increasedsooilowtowardthepumpisalsoincreased.Asaresult,hydraulicpressurerisesgraduallyand
eventually exceeds the setting pressure of the return spring of the neutral valve. Then, the spool of the neutral
valveismovedtoclosetheorice,leadingoiltothemotorthroughtheinternalcircuit.
FORWARD/REVERSE DRIVING
+⭏ⴏ,
Sj5#便
+㨏ⴏ,
W
E
Sj4#俀
Sj5#便
Sj4#俀
A42W616B
HST
Motor
(Forward)
(Reverse)
HST
Pump
Neutral
valve
spool
Neutral
valve
spool

Table of Contents

Related product manuals