EasyManua.ls Logo

Branson 4015r - Cylinder Head and Head Cover

Branson 4015r
454 pages
Print Icon
To Next Page IconTo Next Page
To Next Page IconTo Next Page
To Previous Page IconTo Previous Page
To Previous Page IconTo Previous Page
Loading...
2
-
36
42hW-201601
CHAPTER 2 ENGINE 3015R(h)/3515R(h)/4015R(h)/F36R(h)/F42R(h) TRACTOR
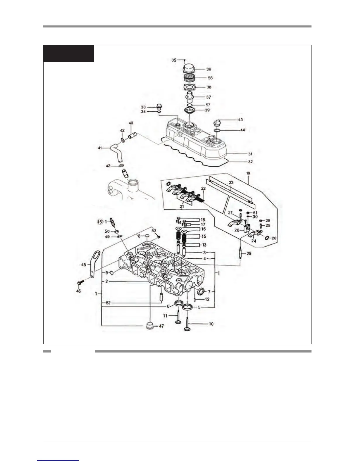
5.4 CYLINDER HEAD AND HEAD COVER
K25W2A63A
(1) Head ass’y, cylinder
(2) Head, cylinder
(3) Guide, suc valve
(4) Guide, exh valve
(5) Seat, suc valve
(6) Seat, exh valve
(7) Plug 40
(8) Plug 22
(9) Plug 22
(10) Valve, suction
(11) Valve, exhaust
(12) Pin, parallel 4×10
(13) Seal,valve shaft
(15) Spring, valve
(16) Retainer, valve spring
(17) Cotter, valve spring
(18) Cap, valve
(19) Shaft ass’y, rocker arm
(20) Support (A)
(21) Support (B)
(22) Spring(rocker arm)
(23) Shaft, rocker arm
(24) Rocker arm
(25) Screw, valve
(26) Nut, adjusting
(27) Screw, stop 8×10
(28) Circlip
(29) Bolt, stud
(30) Washer 12
(31) Cover, head
(32) Packing, head cover
(33) Cap, bonnet
(34) O-ring (P)
(35) Screw 4×10
(36) Cover, breather
(37) Valve, pressure relief
(38) Gasket, breather
(39) Plate, breather adjusting
(40) Tube, breather
(41) Hose, palin
(42) Clip, hose 20
(43) Oil ller
(44) O-ring (P)
(45) Lift
(46) Bolt, ange 8 x 16
(47) Pre chamber
(49) Seal,injector
(50) Spacer, nozzle
(51) Nut m12
(53) Plug pt 1/8
(56) Bafe
(57) O-ring
COMPONENTS
A1700N4_ETR
A1700N4_UTR_4

Table of Contents

Related product manuals