EasyManua.ls Logo

Branson 4015r - Page 423

Branson 4015r
454 pages
Print Icon
To Next Page IconTo Next Page
To Next Page IconTo Next Page
To Previous Page IconTo Previous Page
To Previous Page IconTo Previous Page
Loading...
7
-
45
42hW-201601
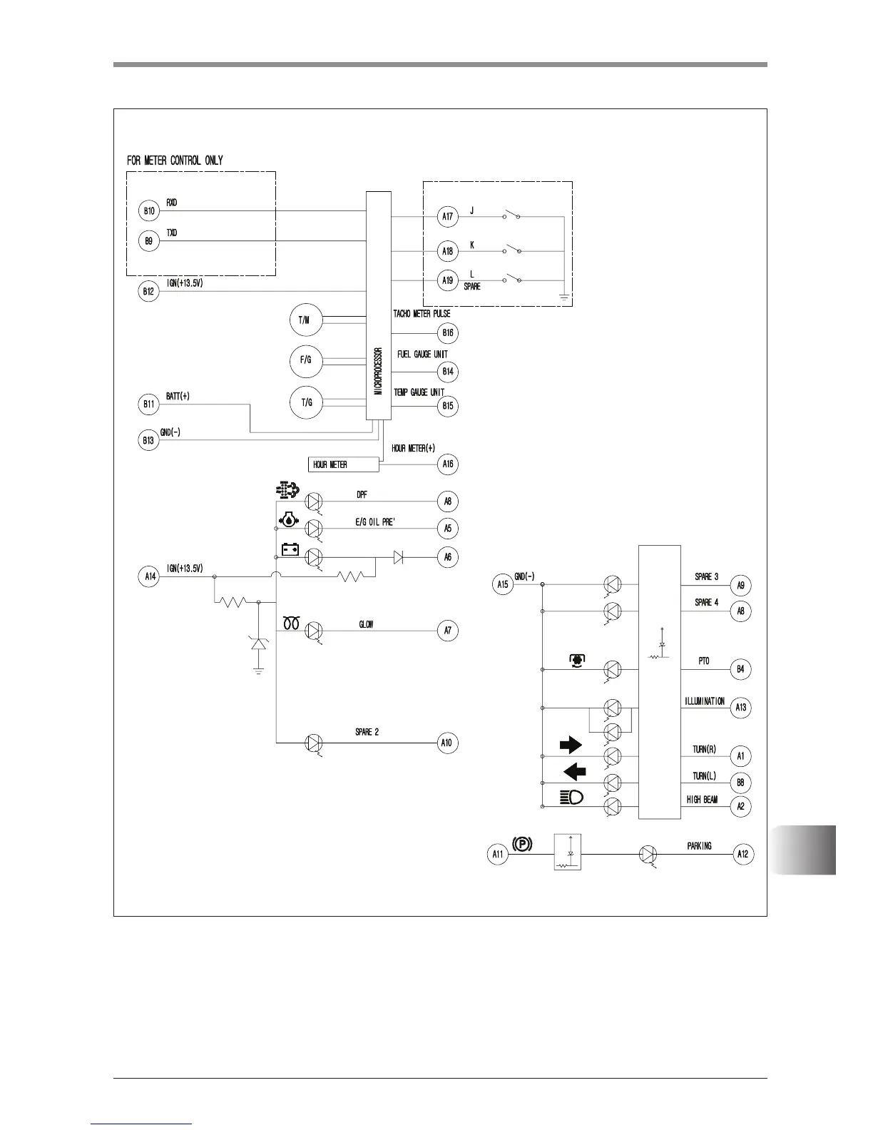
CHAPTER 7 ELECTRIC SYSTEM
7
3015R(h)/3515R(h)/4015R(h)/F36R(h)/F42R(h) TRACTOR
CIRCUIT
7$&+238/6(6(/(&7,2102'(
5()(5727$&+238/6(127,&(
&+$5*(
K25W727B

Table of Contents

Related product manuals