EasyManua.ls Logo

Branson Emerson 2000X aed - Figure 4.2 Unpacking the Stand (Actuator on a Base); Left-Side View of Stand

Branson Emerson 2000X aed
120 pages
Print Icon
To Next Page IconTo Next Page
To Next Page IconTo Next Page
To Previous Page IconTo Previous Page
To Previous Page IconTo Previous Page
Loading...
38 1019572 REV. 03
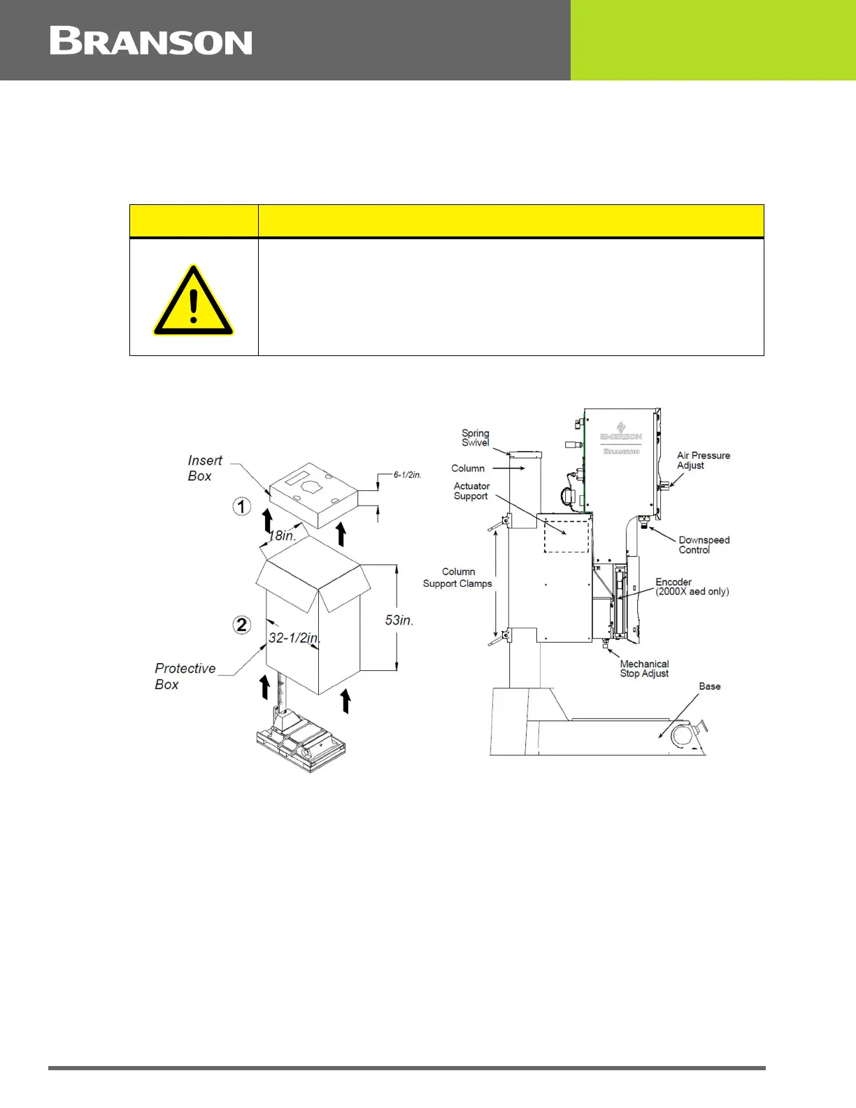
Depending on which one of the following options applies to you, unpack the Branson
actuator assembly:
4.2.3 Stand (actuator on a base)
Figure 4.2 Unpacking the Stand (Actuator on a Base); Left-side View of Stand
CAUTION
Heed the “This End Up” arrows and the “Open Top First” instructions.
The packaging is designed to be removed from the assemblies from
an upright orientation only.

Table of Contents

Related product manuals