EasyManua.ls Logo

Brother HL-4150CDN - Top Cover ASSY

Brother HL-4150CDN
432 pages
To Next Page IconTo Next Page
To Next Page IconTo Next Page
To Previous Page IconTo Previous Page
To Previous Page IconTo Previous Page
Loading...
3-49
Confidential
9.13 Top Cover ASSY
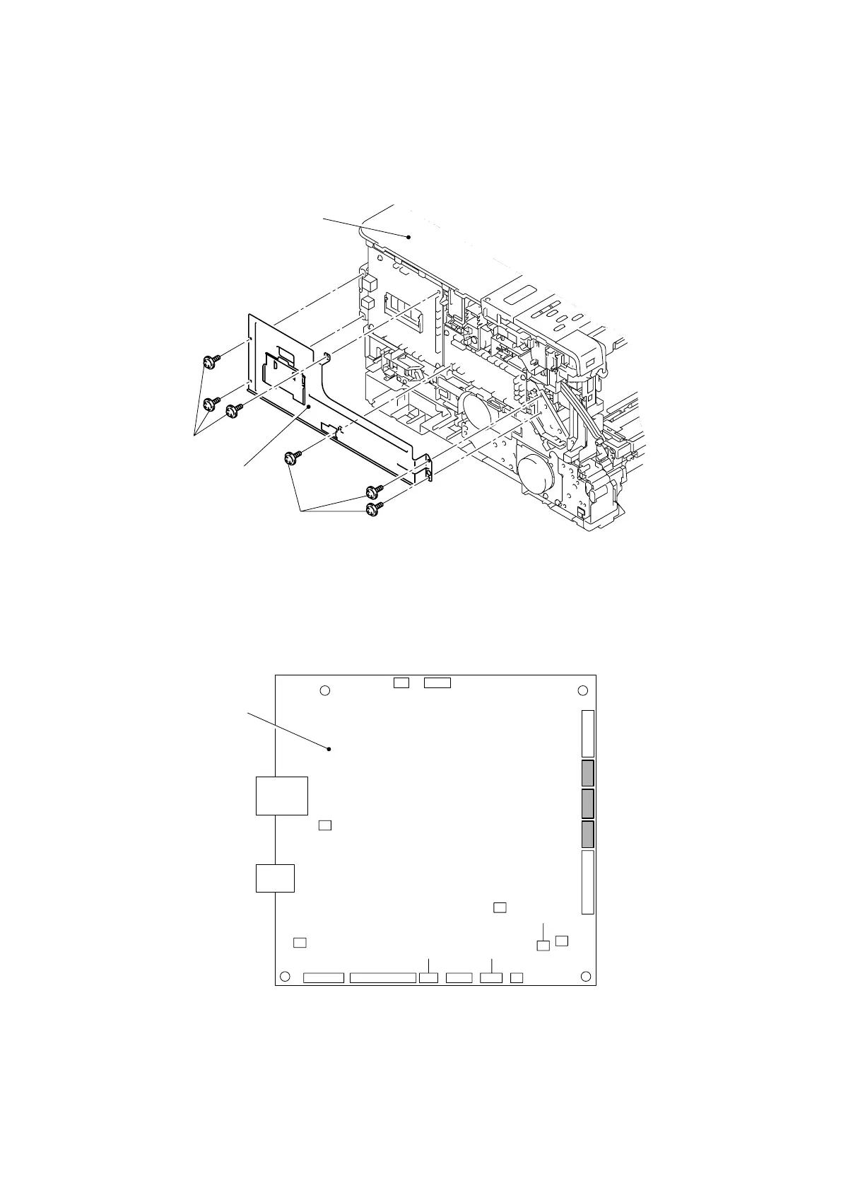
(1) Remove the six Taptite cup S M3x6 SR screws to remove the Main shield cover plate ASSY
from the Main body.
Fig. 3-46
(2) Disconnect the three Connectors (CN6, CN10, CN11) and cables from the Main PCB
ASSY.
Fig. 3-47
Main shield cover plate ASSY
Main body
Taptite cup S M3x6 SR
Taptite cup S M3x6 SR
<Left side>
CN6
CN10
CN11
CN14
CN13
CN23
CN22
CN21
CN20
CN19
CN18
CN17CN16
CN15
CN8
CN1 CN2
Main PCB ASSY

Table of Contents

Other manuals for Brother HL-4150CDN

Related product manuals