EasyManua.ls Logo

Calorex PPT12 - Page 21

Calorex PPT12
119 pages
Print Icon
To Next Page IconTo Next Page
To Next Page IconTo Next Page
To Previous Page IconTo Previous Page
To Previous Page IconTo Previous Page
Loading...
Page 18
Calorex Heat Pumps Ltd. · The Causeway, Maldon, Essex CM9 4XD, UK
Technical Manual
PPT8/12/16/22LX/LY SLIMLINE
SD638160 ISSUE 22d
®
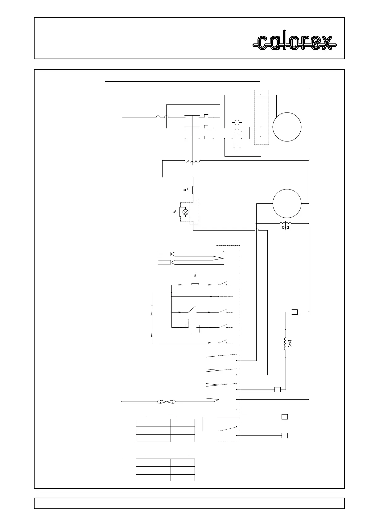
10
('Y' VERSIONS ONLY)
SOLENOID VALVE
11
MODEL
FUSE RATINGS
FUSE
PPT16ALX
3A
MODEL
OVERLOAD SETTING
PPT16ALX
19.0A
1
4
REMOTE ON/OFF
INTERLOCK
1514
(WATER TEMP)
2
9
N/C
21
20
19
18
13
14
17
15
16
23
(L)
(DEFROST)
SENSOR
N/O
N/O
N/C
COM
COM
COM
COM
N/O
OUT2
OUT4
N/O
POOL STAT
10
12
OUT3
OUT1
LIVE
NEUTRAL
12
13
COMPRESSOR
R
S
C
RUN CAP
SOFT
START
SOFT START
THERMAL
OVERLOAD
& FAULT
LIGHT
START CAP
IF
FITTED
IF FITTED
HP SWITCH
LP SWITCH
BREAKS ON
PRESSURE
FALLING
BREAKS ON
PRESSURE
RISING
C
L
C
H
(N/C)
(N/C)
SENSOR
FLOW SWITCH
A1
A2
FAN
VOLT FREE
POOL PUMP RUN
MAX 3Amps
19
18
COMPRESSOR
O/LOAD ALARM
95
96
O/LOAD
4
2
6
CONTACTOR
3
1
4
2
(N/O)
(N/O)
5
6
(N/O)
3A
CONTROL FUSE
24
(N)
3
22
DIGITAL INPUTS
di1
di2
di4
di3
com
97 98
(N/O)
COMPRESSOR
O/LOAD ALARM
11
SUPPLY
RELAY/HARD
2 OFF PPT22
1 OFF PPT16
SOLENOID VALVE B
PPT22ALX ONLY
PPT22ALX
3A
PPT22ALX
29.7A
PPT16/22 ALX SINGLE PHASE 230V~1N 50Hz

Table of Contents

Other manuals for Calorex PPT12

Related product manuals