EasyManua.ls Logo

Calorex PPT12 - Page 22

Calorex PPT12
119 pages
Print Icon
To Next Page IconTo Next Page
To Next Page IconTo Next Page
To Previous Page IconTo Previous Page
To Previous Page IconTo Previous Page
Loading...
Page 19
Calorex Heat Pumps Ltd. · The Causeway, Maldon, Essex CM9 4XD, UK
Technical Manual
PPT8/12/16/22LX/LY SLIMLINE
SD638160 ISSUE 22d
®
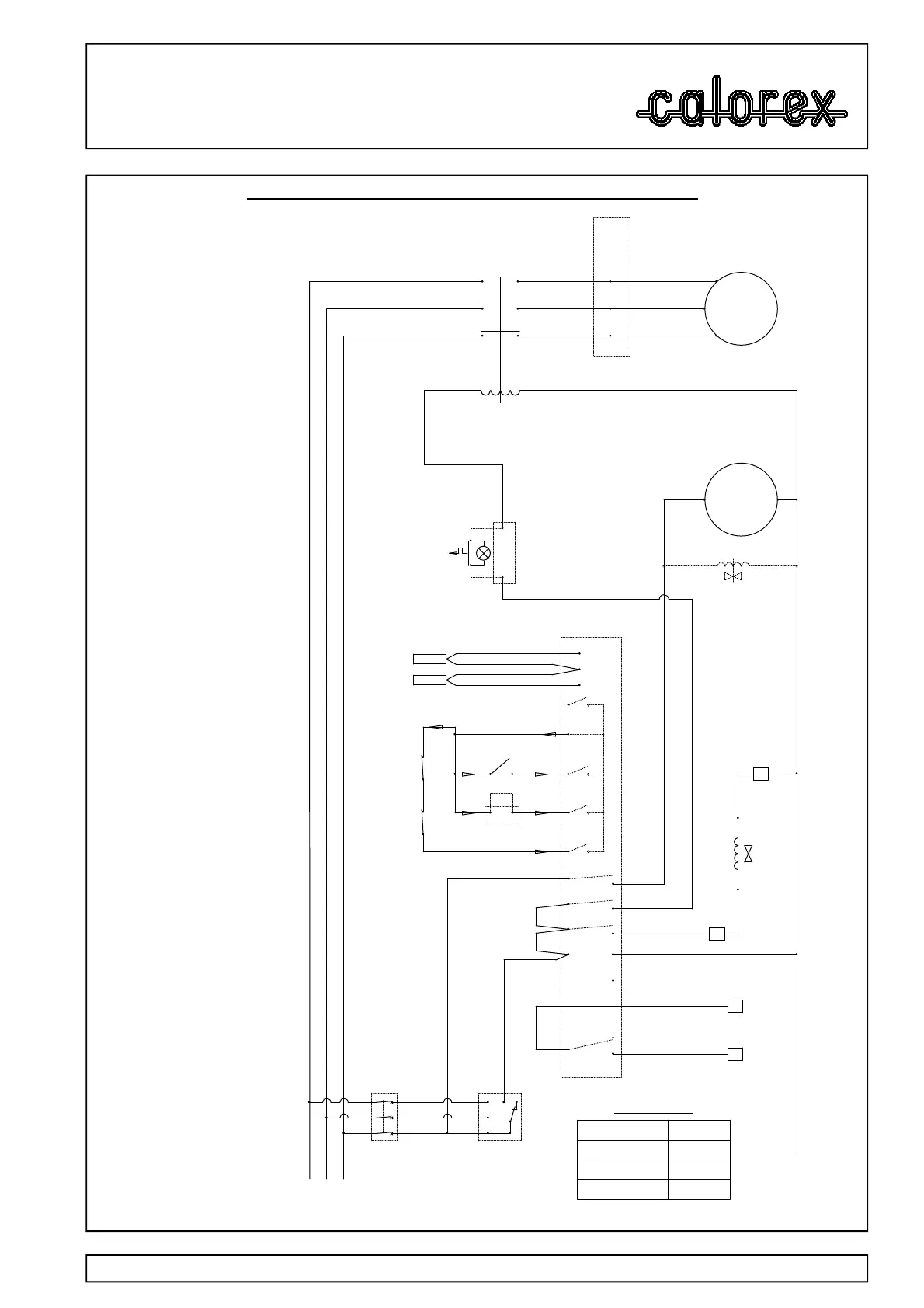
PPT12/16/22 BLX/BLY THREE PHASE 400V~3N 50Hz
MODEL
MCB SETTING
2.0A
2.0A
PPT12BLX/BLY
PPT16BLX/BLY
PPT22BLX/BLY
2.0A
1
4
REMOTE ON/OFF
INTERLOCK
1415
(WATER TEMP)
2
9
21
20
19
18
13
14
17
15
16
(DEFROST)
SENSOR
10
N/O
N/O
N/C
COM
COM
COM
COM
N/O
OUT2
OUT4
N/O
POOL STAT
10
12
OUT3
OUT1
L3
NEUTRAL
12
13
COMPRESSOR
SOFT
START
SOFT START
THERMAL
OVERLOAD
& FAULT
LIGHT
IF
FITTED
IF FITTED
HP SWITCH
LP SWITCH
BREAKS
ON
PRESSURE
FALLING
BREAKS
ON
PRESSURE
RISING
L
C
H
C
(N/C)
(N/C)
SENSOR
A1
A2
FAN
VOLT FREE
POOL PUMP RUN
MAX 3A (1/2 HP)
19
18
CONTACTOR
3
5
4
6
(N/O)
(N/O)
1
2
(N/O)
11
22
3
SOLENOID / REVERSING VALVE
DIGITAL INPUTS
di1
di2
di4
di3
com
CONTROL
CIRCUIT
BREAKER
PHASE
ROTATION RELAY
5
3
1
6 (N/C)
4 (N/C)
2 (N/C)
L3
L2
L1
14 (N/O)
12 (N/C)
11 (COM)
L2 L1
T1
T2
T3
11
23
(L)
24
(N)
SUPPLY
FLOW SWITCH
CLOSE ON FLOW
SOLENOID VALVE B
PPT22BLX ONLY

Table of Contents

Other manuals for Calorex PPT12

Related product manuals