EasyManua.ls Logo

Chino DB650 - 2-4 Trial Operation

Default Icon
150 pages
Print Icon
To Next Page IconTo Next Page
To Next Page IconTo Next Page
To Previous Page IconTo Previous Page
To Previous Page IconTo Previous Page
Loading...
[DB600] General Instruction Manual
- 31 -
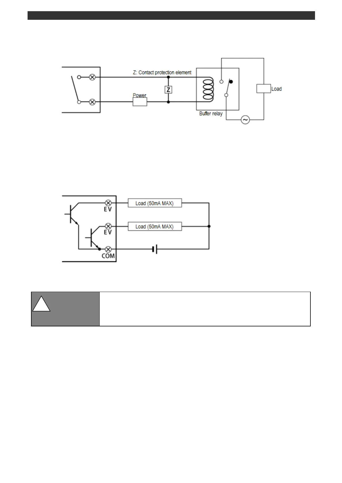
Wiring of mechanical relay output 2.
For relay output terminal such as ON-OFF pulse output type, ON-OFF servo output type and event
output, make sure to connect to load through buffer relay and contact protection element.
Insert CR filter (at AC is used) or diode (at DC is used) in parallel as a contact protection element.
CHINO also carries contact protection element (refer to the section7-4-2).
Wiring of event output (open corrector output) 3.
Rating range of open corrector signal is 24V DC maximum voltage and 50mA or less maximum
current at DC load. Pay attention to the load capacity.
Caution
Event output (open corrector output) is outputted by open corrector
signal. If AC current and/or the load other than rating range are applied,
the instrument may be damaged, its performance may deteriorate
remarkably or it may malfunction.
[This instrument]
[This instrument]

Table of Contents

Related product manuals