EasyManua.ls Logo

Condair Mk5 - Wiring Diagram

Condair Mk5
64 pages
Print Icon
To Next Page IconTo Next Page
To Next Page IconTo Next Page
To Previous Page IconTo Previous Page
To Previous Page IconTo Previous Page
Loading...
34
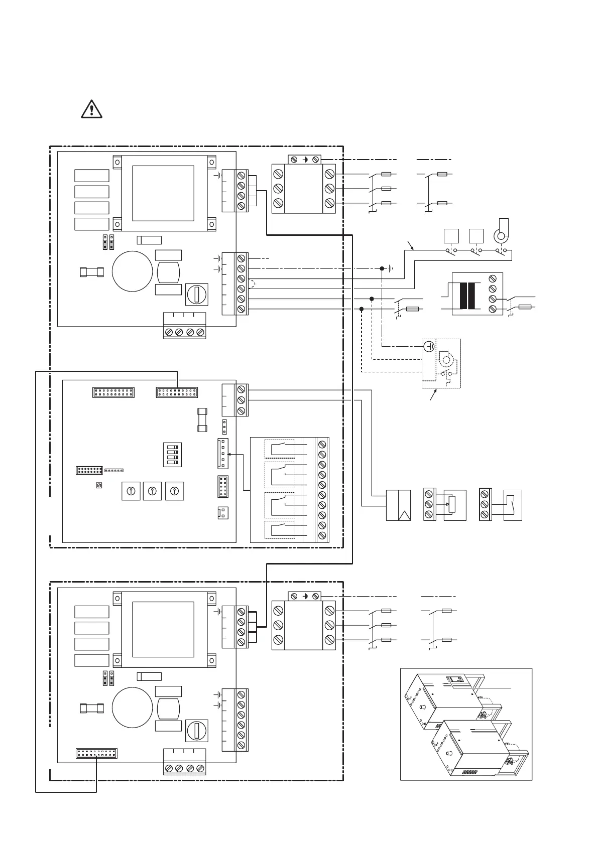
Theelectricalinstallationistobecarriedoutinaccordancewiththefollowingwiringdiagram.
Caution! Observetheinstallationnotesinthefollowingsection.
5.5.2 Wiring diagram
Unit B Unit A
Supply module Supply module
Control board
(Option)
Switches (K1...K4) shown in idle position
Set JP2
to 5V
Set JP2
to 24V
(Option)
Unit B
Unit A
LC display

Table of Contents

Related product manuals