EasyManua.ls Logo

Condair Mk5 - Control System Options

Condair Mk5
64 pages
Print Icon
To Next Page IconTo Next Page
To Next Page IconTo Next Page
To Previous Page IconTo Previous Page
To Previous Page IconTo Previous Page
Loading...
13
4.2 Selecting the control system
The various control systems
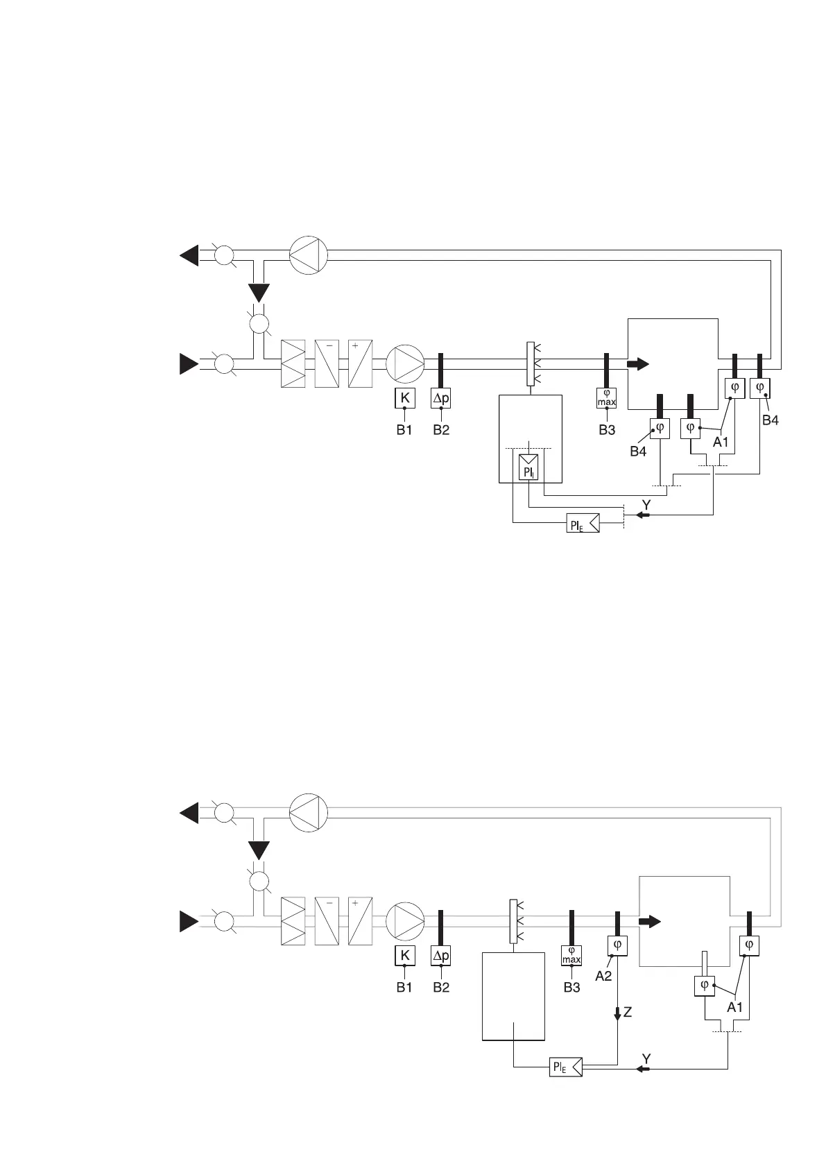
System 1: Room humidity control
System 1 is suited for direct room humidication and air conditioning systems with mainly
recirculated air. The humidity sensor or humidistat respectively is preferably located in the room
itselforintheexhaustairduct.
A1 humidity sensor
B1 ventilation interlock
B2 airowmonitor
B3 safetyhumidistat
B4 humidistat
PI
I
internal continuous controller (PI-controller)
PI
E
external continuous controller (e.g. PI-controller)
Y inputsignalfromA1
System 2: Room humidity control with continuous limitation of the supply air humidity
System2issuitedforairconditioningsystemswithalarge portion of supply air, low supply air
temperature, post-humidication, or variable airow volume.Ifthesupplyairhumidityexceeds
the preset value, the continuous limitation is effected prior to the room hum idity control.
Thehumiditysensor(A1)ispreferablylocatedintheexhaustairductorintheroomitself.Thehu-
miditysensor(A2)forthelimitationofthesupplyairhumidityislocatedinthesupplyairductafter
the steam distribution pipe. This control system requires a external continuous controllerwiththe
option to connect a second humidity sensor.
Attention! The continuous limitation of the supply air humidity is no substitute for the safety hu-
midistat.
A1/2 humidity sensor
B1 ventilation interlock
B2 airowmonitor
B3 safetyhumidistat
PI
E
external continuous controller (e.g. PI-controller)
Y inputsignalfromA1
Z inputsignalfromA2
Condair
Mk5
Condair
Mk5

Table of Contents

Related product manuals