EasyManua.ls Logo

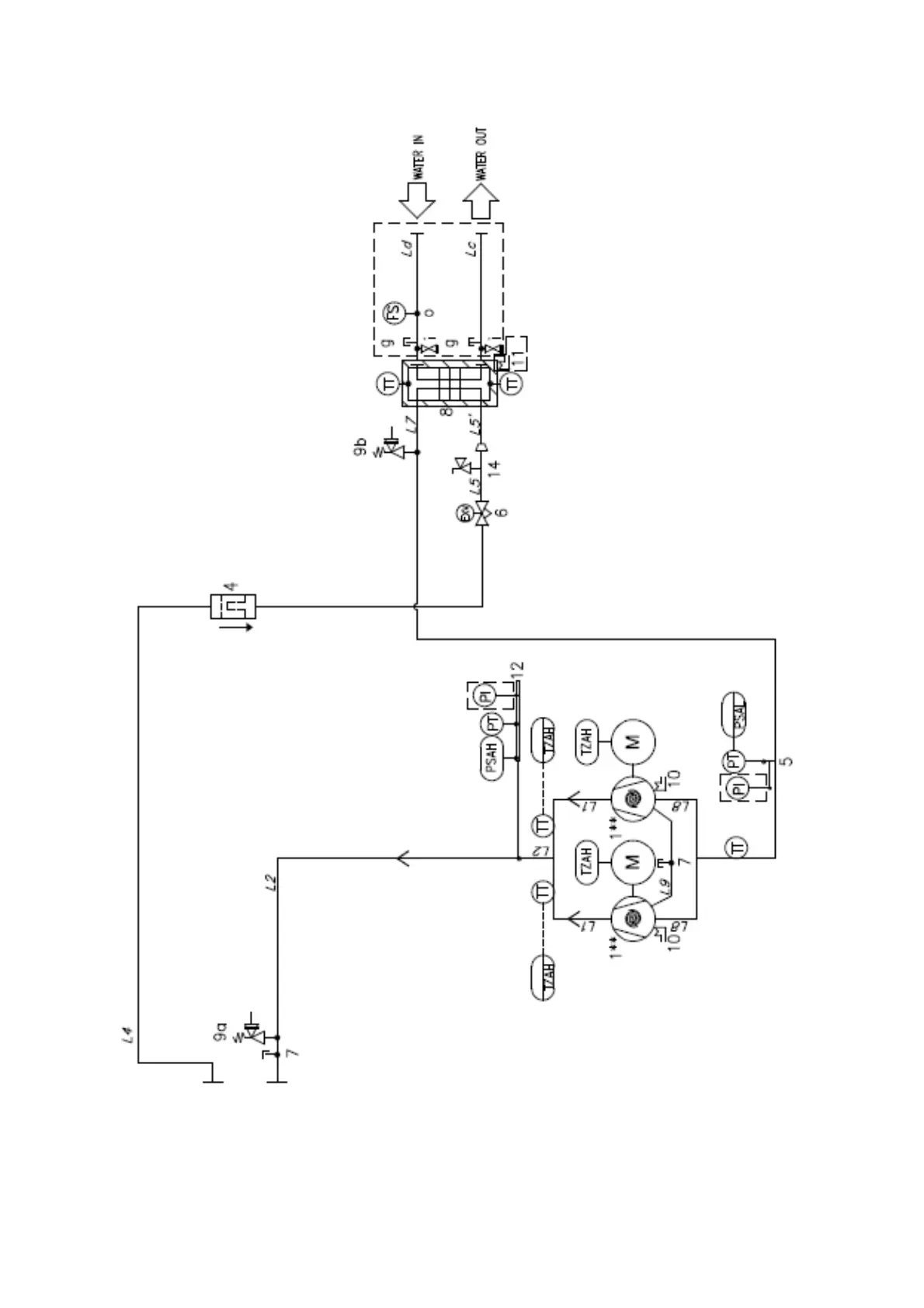
Daikin EWWT100Q - Fig. 2 Typical Circuit for Moto-Evaporating Version (EWLT-Q)

Daikin EWWT100Q
72 pages
Print Icon
To Next Page IconTo Next Page
To Next Page IconTo Next Page
To Previous Page IconTo Previous Page
To Previous Page IconTo Previous Page
Loading...
D-EIMHP01702-23_00EN- 6/72
Fig. 2 Typical circuit for moto-evaporating version (EWLT-Q)
The input and output of the water of the evaporator are approximate. Consult the dimensional drawings of the unit for the exact
hydraulic connections.

Table of Contents

Related product manuals