EasyManua.ls Logo

EIP 545A - Page 153

EIP 545A
221 pages
Print Icon
To Next Page IconTo Next Page
To Next Page IconTo Next Page
To Previous Page IconTo Previous Page
To Previous Page IconTo Previous Page
Loading...
REF.
DES.
R25
LA
~4,L5
2
U
ARE
PARTOF
F.C.B.
FACTOR\/
SELECT,
NOM
VALUE
SHOWN.
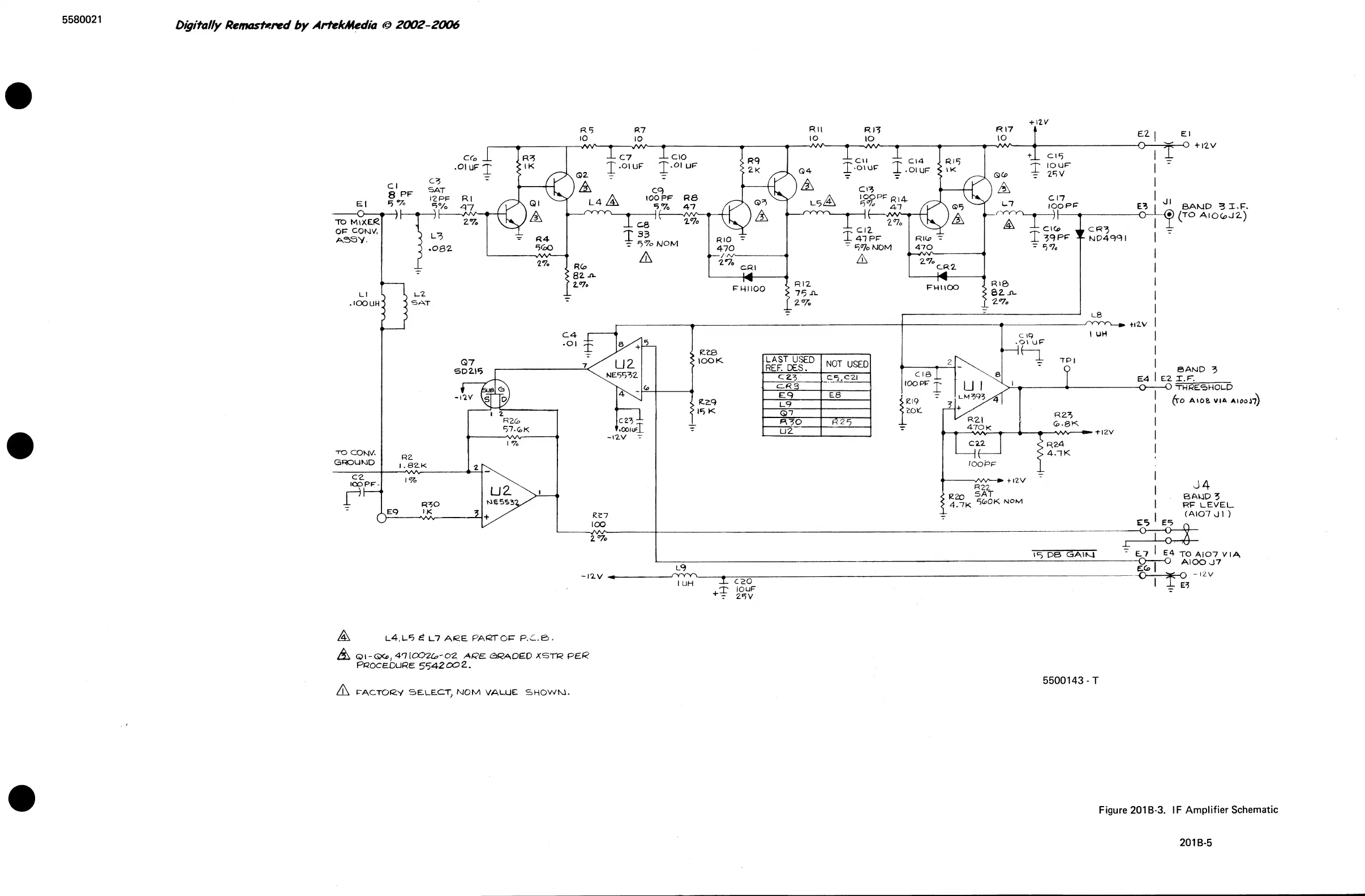
Figure
201 B-3.
l
F
Amplifier Schematic
20 18-5
Scans by ArtekMedia © 2007

Table of Contents