EasyManua.ls Logo

EIP 545A - Page 78

EIP 545A
221 pages
Print Icon
To Next Page IconTo Next Page
To Next Page IconTo Next Page
To Previous Page IconTo Previous Page
To Previous Page IconTo Previous Page
Loading...
+
lev
UNREG
CONN.
CONN.
5510057
-
B
REAR
PANEL
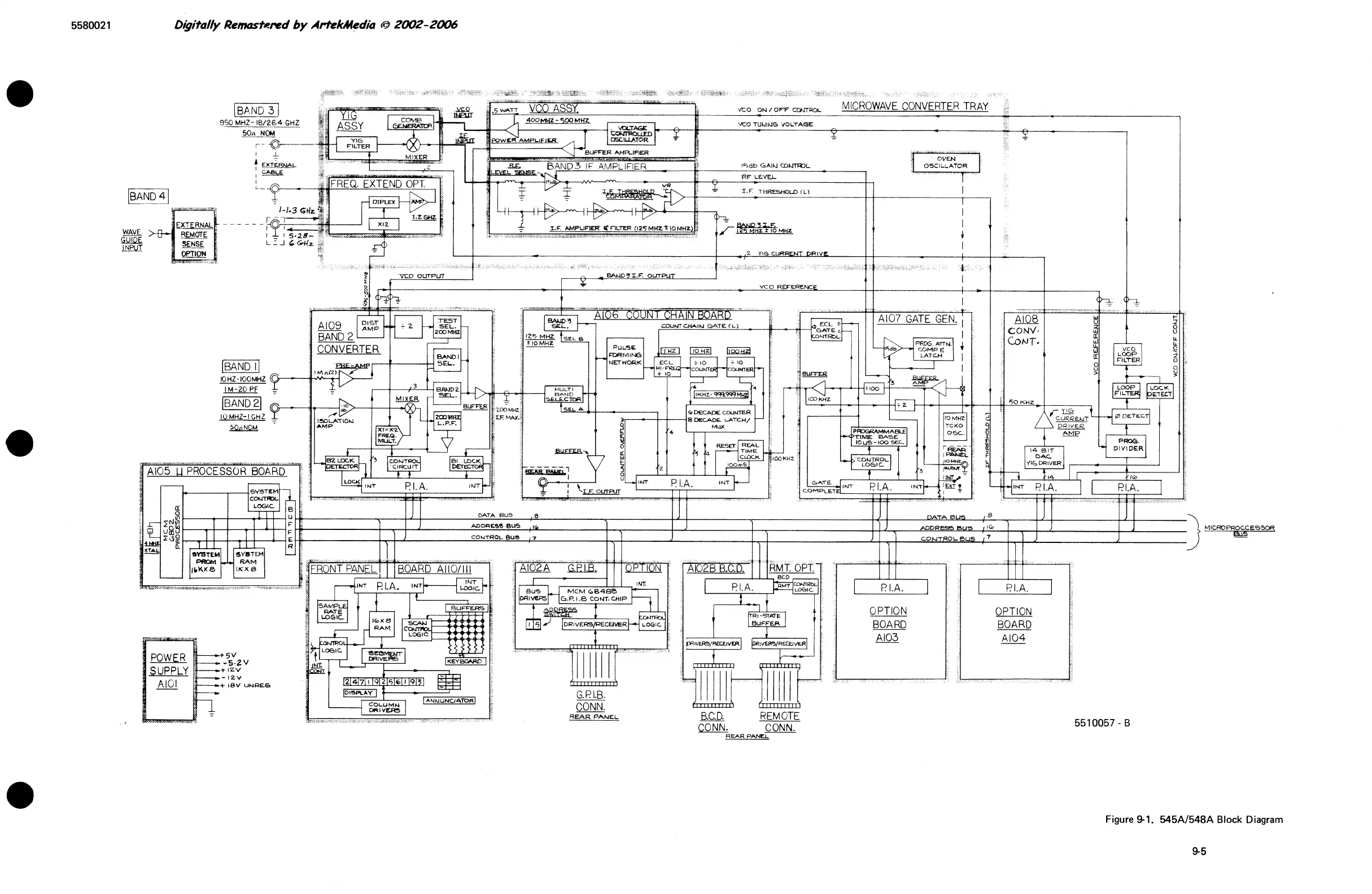
Figure
41.
545AI548A
Block
Diagram
95
Scans by ArtekMedia © 2007

Table of Contents