EasyManua.ls Logo

Epson AcuLaser C900 - Page 247

Epson AcuLaser C900
270 pages
Print Icon
To Next Page IconTo Next Page
To Next Page IconTo Next Page
To Previous Page IconTo Previous Page
To Previous Page IconTo Previous Page
Loading...
HS 1
P C 1
S L1
9302
3547
3501
3727
3727
9107
9107
3547
9302
9303
3547
3727
3727
3727
09
11
15
16
20
13
29
03
10
12
12
14
14
17
18
19
21
22
26
23
08
07
06
05
04
24
25
31
28
27
02
33
32
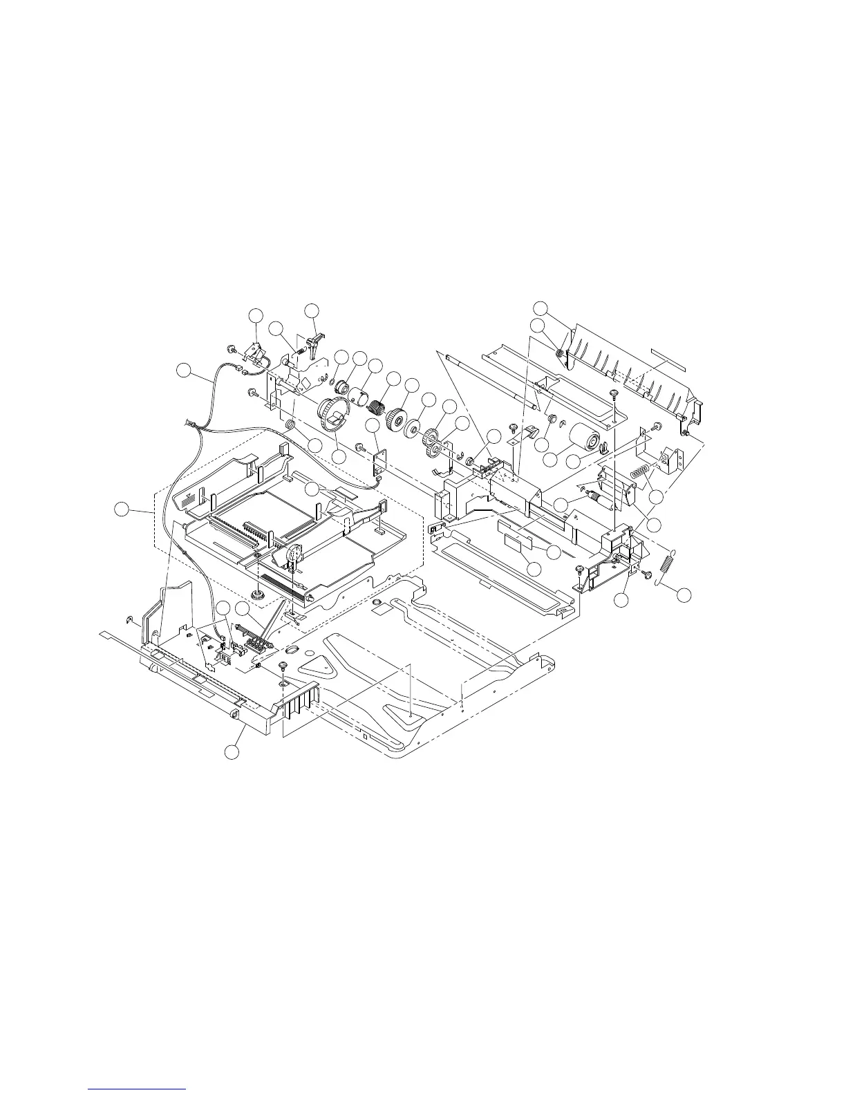
C 494-ME C H-009
The parts to which no reference number
is as s igned will not be available as
after-sale s ervice parts.
F OR LP -1500C /E P S ON AcuLas er C 900 NO.10 R ev.01 C 494

Table of Contents

Related product manuals