EasyManua.ls Logo

ESAB DTG 405 - CONNECTION DIAGRAM

ESAB DTG 405
92 pages
Print Icon
To Next Page IconTo Next Page
To Next Page IconTo Next Page
To Previous Page IconTo Previous Page
To Previous Page IconTo Previous Page
Loading...
- 10 -
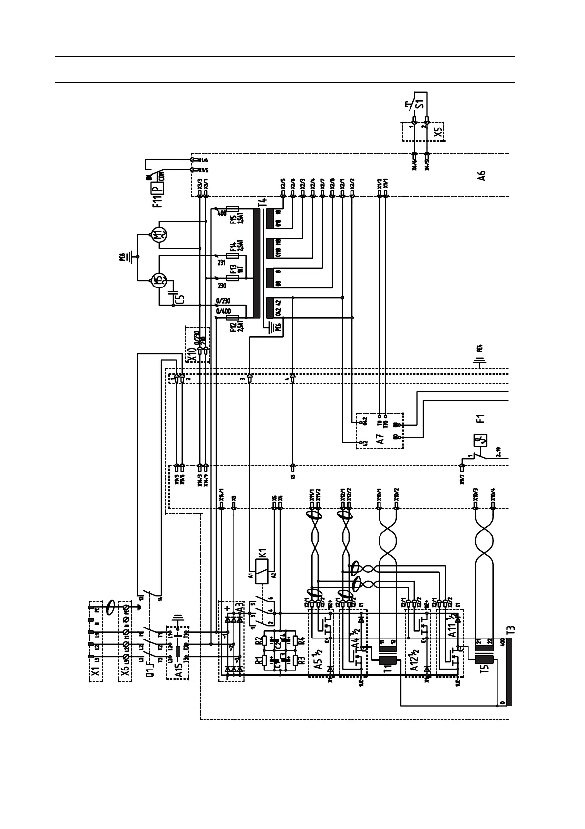
CONNECTION DIAGRAM DTG 405

Table of Contents

Related product manuals