EasyManua.ls Logo

ESAB DTG 405 - A6-2 Control Hf-Ignition Unit; A6-3 Arc-Voltage Sense

ESAB DTG 405
92 pages
Print Icon
To Next Page IconTo Next Page
To Next Page IconTo Next Page
To Previous Page IconTo Previous Page
To Previous Page IconTo Previous Page
Loading...
- 34 -
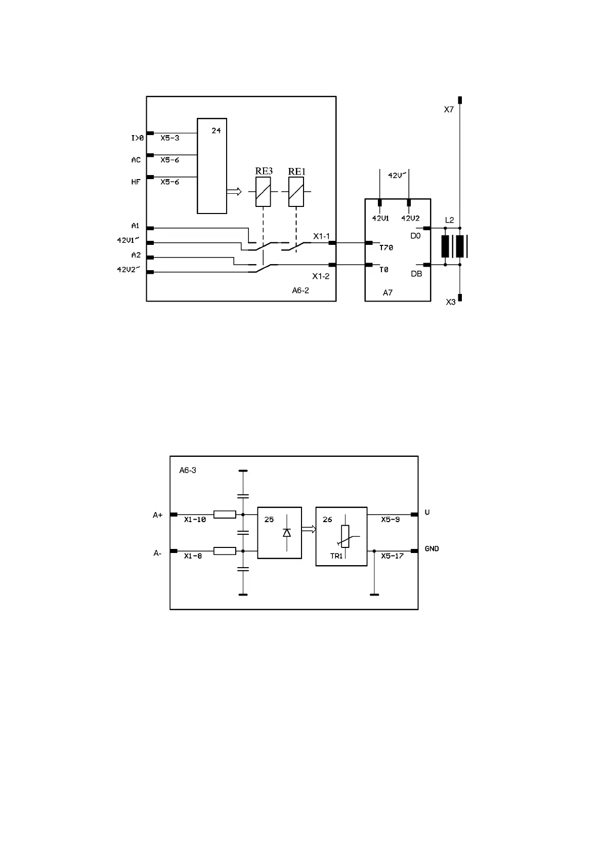
A6-2 CONTROL HF-IGNITION UNIT
The supply voltage is 42 V. HF pulses are generated via L2. The signals at T70 and T0 govern
the triggering of starter A7. For HF starting from no-load conditions (HF, /I > 0), an AC voltage of
42 V is applied to the trigger leads T0/T70. The starter then generates starting pulses of alternat-
ing polarity of about 50 Hz. During AC welding (I > 0, AC), the relay RE3 is energised, so the start-
er detects the necessity of HF pulses via the weld voltage on A1/A2. On discontinuation of the arc,
the starter generates a starting pulse of the polarity desired.
A6-3 ARC-VOLTAGE SENSE
The arc voltage is determined on X1-9,10. After buffering and rectification (25) the voltage signal
goes to a comparator circuit 26. When the voltage has reached a specific level, the signal is trans-
ferred to the control A2 via X5-9. TR1 is used to set the threshold of comparator stage 26. The
signal's function is to detect short circuits and arcs for Lift-Arc starting.
a6-2.pcx
a6-3.pcx

Table of Contents

Related product manuals