EasyManua.ls Logo

ESAB DTG 405 - A1-3 Mains Voltage Monitoring; A1-4 Temperature Monitoring

ESAB DTG 405
92 pages
Print Icon
To Next Page IconTo Next Page
To Next Page IconTo Next Page
To Previous Page IconTo Previous Page
To Previous Page IconTo Previous Page
Loading...
- 23 -
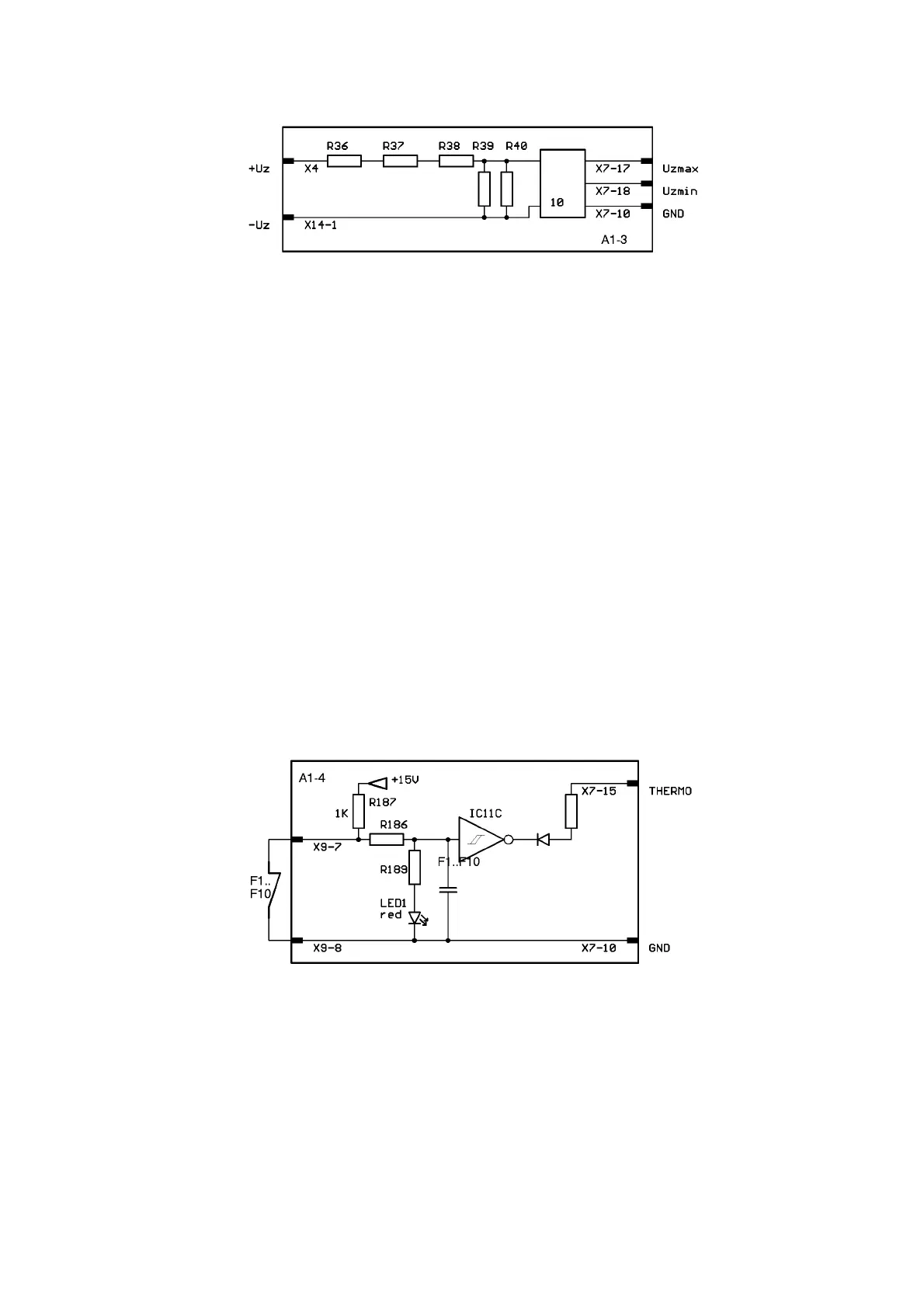
A1-3 MAINS VOLTAGE MONITORING
Warning! The circuit and its parts are connected to mains voltage potential.
The voltage divider comprising R36 to R40 divides the link voltage UZ at a ratio of about 200:1.
This voltage is evaluated by a comparator circuit 10. When the maximum allowed link voltage of
660 V DC (equivalent to a mains voltage of approx. 460 V AC) is exceeded, the signal on X7-17
is L-activated (UZmax). When the link voltage drops below the minimum of 420 V DC (equivalent
to a mains voltage of approx. 300 V AC), the signal on X7-18 is L-activated (UZmin). Signals from
the mains voltage potential to the potential of the control are transferred in 10 via an opto-coupler.
Response of the unit in the event of mains overvoltage: Inverter is tripped; Error Code 3 on
front panel.
Response of the unit in the event of mains undervoltage: Inverter is tripped; Error Code 2 on
front panel.
NOTE!
If a minor mains undervoltage occurs, the power of the unit may decrease even if Error
Code 2 is not displayed.
NOTE! If an excessive mains voltage > 500 V AC occurs starting with a link voltage UZ of about
730 V DC, the supply of A1 and A8 attempts to protect itself by performing a complete shut-down.
In this case, the front display shows Error Code 5, provided the supply on A6 is not defective.
A1-4 TEMPERATURE MONITORING
A 'chain' of thermal switches F1 to F10 is provided to monitor the temperature of key components
in the system. A current of approx. 15 mA flows through the chain of thermal switches. When the
temperature of a thermal switch exceeds the monitored temperature, the chain of thermal switch-
es is interrupted. In this case LED1 on A1 comes on. The signal to X7-15 is L-activated.
A8 then interrupts the weld current and Error Code 4 is displayed on the front panel. Once the
thermal switch has sufficiently cooled down, the thermal switch chain closes again. The error mes-
sage is reset and welding can be resumed.
The thermal switches have different temperature limits:
F9, F10: power transformer T3, smoothing reactor L1: 130 °C
F5, F6, F7, F8: heat sink A5, A12, A4, A11: 90 °C
F1, F2, F3, F4: heat sink A9, A13, A10, A14: 80 °C
A1-3.pcx
a1-4.pcx

Table of Contents

Related product manuals