EasyManua.ls Logo

ESAB DTG 405 - Page 17

ESAB DTG 405
92 pages
Print Icon
To Next Page IconTo Next Page
To Next Page IconTo Next Page
To Previous Page IconTo Previous Page
To Previous Page IconTo Previous Page
Loading...
- 17 -
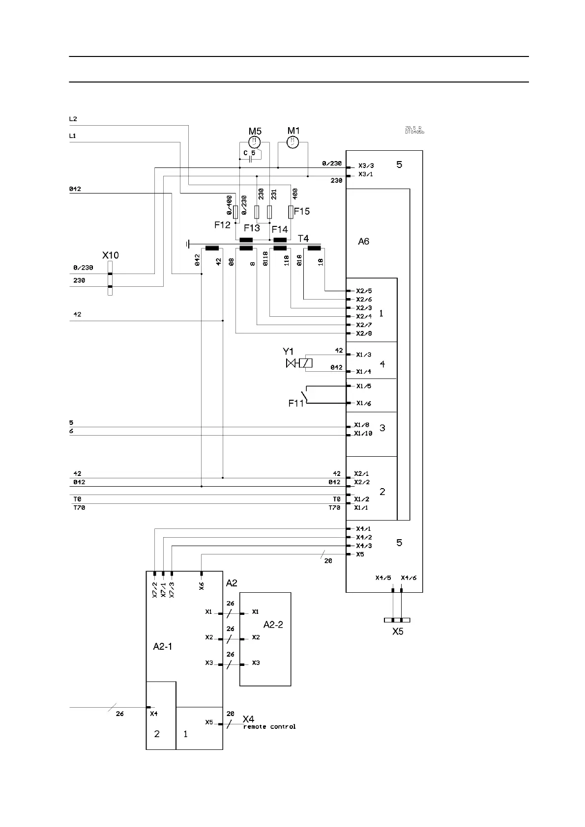
Warning! Some parts of this circuit are connected to mains voltage potential.
405b.pcx

Table of Contents

Related product manuals